|
Микросхема представляет собой электронный двухканальный регулятор тембра высших и низших звуковых частот. Предназначены для использования в звуковоспроизводящей и приемно-усилительной аппаратуре 1-го и 2-го классов совместно с К174УН12. В состав микросхем входят управляемые напряжением усилители и преобразователи напряжения. Аналог микросхемы TСA740. Содержит 204 интегральных элементов. Конструктивно оформлена в корпусе типа 238.16-2. Масса не более 1,5 гр.
 |
Назначение выводов:
1,2 - вход усилителя УI; 3 - выход усилителя УI; 4 - управление усилителями УI и УII; 5 - выход усилителя УII; 6,7 - вход усилителя УII; 8 - питание +Uи.п.; 9,10 - вход усилителя УIII; 11 - выход усилителя УIII; 12 - управление усилителями УIII и УIV; 13 - выход усилителя УIV; 14,15 - вход усилителя УIV; 16 - общий (-Uи.п.).
|
|
Корпус ИМС К174УН10 (тип 238.16-2)
|
|
 |
Функциональный состав:
УI,УII,УIII,УIV - управляемые напряжением усилители; KI,KII - преобразователи напряжения
|
|
Функциональная схема ИМС К174УН10
|
|
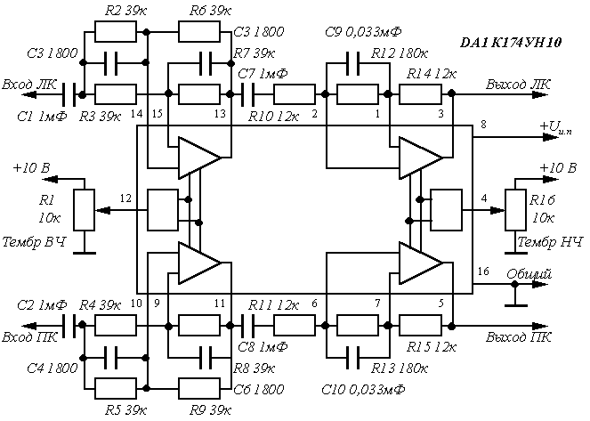
Типовая схема включения ИМС К174УН10
Электрические параметры
| 1 |
Номинальное напряжение питания |
15 В |
2 |
Ток потребления при Uп = 15 В типовое значение |
Ј 40 мА 34 мА |
| 3 |
Диапазон рабочих частот по уровню -1Дб при Uп = 15 В, |
20…20 000 Гц |
4 |
Глубина регулировки усиления низших звуковых частот (40 Гц) при Uп = 15 В, Uвх = 1 В не менее типовое значение |
± 15 Дб ± 16 Дб |
5 |
Глубина регулировки усиления высших звуковых частот (16 кГц) при Uп = 15 В, Uвх = 1 В не менее типовое значение |
± 15 Дб ± 16 Дб |
6 |
Изменение коэффициента передачи регулятора на частоте 1кГц при изменении напряжения управления на выводах 4 и 12 от 1 до 10 В, Uп = 15 В, Uвх = 1 В не более типовое значение |
± 2 Дб ± 1,5 Дб |
7 |
Коэффициент гармоник при Uп = 15 В, Uвых = 1 В: К174УН10А не более типовое значение К174УН10Б не более типовое значение |
0,2 % 0,1 % 0,5 % 0,3 % |
8 |
Входное и выходное напряжение при Uп = 15 В, КгЈ 0.7 %: К174УН10А не более типовое значение К174УН10Б не более типовое значение |
1,6 В 2,0 В 1,2 В 1,5 В |
9 |
Отношение сигнал-шум на выходе при Uвых = 50 мВ, Uп = 15 В,: К174УН10А не менее К174УН10Б не менее |
66 Дб 60 Дб |
10 |
Переходное затухание между каналами при Uвых = 1 В, Uп = 15 В,: при f = 250 Гц…12,5 кГц, не менее типовое значение при f = 20 Гц…20 кГц, не менее типовое значение |
56 Дб 60 Дб 46 Дб 50 Дб |
| 11 |
Управляющее напряжение на выводах 4 и 12 при Uп = 15 В |
1…10 В |
| 12 |
Входной ток по выводам управления при Uп = 15 В, Uупр = 8 В |
Ј 25 мкА |
| 13 |
Входное сопротивление регулятора не менее |
15 кОм |
Предельно допустимые режимы эксплуатации
| 1 |
Напряжение питания |
13,5…16,5 В |
| 2 |
Максимальное постоянное управляющее напряжение |
12 В |
| 3 |
Максимальное напряжение входного сигнала |
2 В |
| 4 |
Минимальное сопротивление нагрузки |
5 кОм |
| 5 |
Максимальный статический потенциал на выводах микросхемы |
30 В |
| 6 |
Температура окружающей среды |
-10…+55°С |
Литература
Микросхемы для бытовой радиоаппаратуры: Справочник /И. В. Новачек, В. М. Петухов, И. П. Блудов, А. В. Юровский. - Москва: КУБК-а, 1995г. - 384с.:ил.
Интегральные микросхемы и их зарубежные аналоги: Справочник. Том 2./А. В. Нефедов. - М.:КУБК-а, 1996г. - 640с.:ил.
Аналоговые интегральные микросхемы: Справочник /А .Л. Булычев, В. И. Галкин, В. А. Прохоренко. - 2-е издание, переработанное и дополненное - Минск: Беларусь, 1993г. - 382с.
|