|
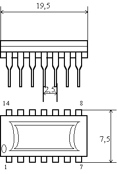
Микросхема представляет собой усилитель мощности звуковой частоты с номинальной выходной мощность 15 Вт на нагрузку 4 Ома. Имеет защиту выходного каскада от короткого замыкания и перегрузок. Аналог микросхемы TDA2020. Содержит 150 интегральный элемента. Конструктивно оформлена в корпусе типа 201.14.-12. Масса не более 1,5 гр.
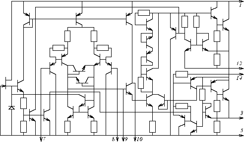
Принципиальная схема ИМС К174УН11
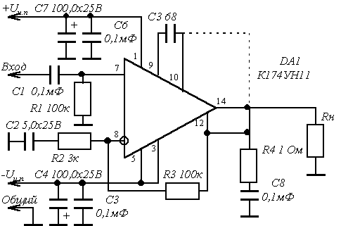
Типовая схема включения ИМС К174УН11
Электрические параметры
Предельно допустимые режимы эксплуатации
Общие рекомендации по применению При проведении монтажных операций допускается не более трех перепаек выводов микросхемы. Температура пайки 235 ± 5°С, расстояние от корпуса до места пайки на более 1,5 мм, продолжительность пайки не более 6 с. Рекомендуется использовать микросхему только в типовой схеме включения. Не допускается эксплуатация микросхемы без дополнительного теплоотвода. При эксплуатации микросхемы необходимо предусмотреть ее защиту от случайного увеличения напряжения питания. Допустимое значение статического потенциала 200 В. Литература Микросхемы для бытовой радиоаппаратуры: Справочник /И. В. Новачек, В. М. Петухов, И. П. Блудов, А. В. Юровский. - Москва: КУБК-а, 1995г. - 384с.:ил. Интегральные микросхемы и их зарубежные аналоги: Справочник. Том 2./А. В. Нефедов. - М.:КУБК-а, 1996г. - 640с.:ил. Аналоговые интегральные микросхемы: Справочник /А .Л. Булычев, В. И. Галкин, В. А. Прохоренко. - 2-е издание, переработанное и дополненное - Минск: Беларусь, 1993г. - 382с. |
Усилитель мощности К174УН11, ТDА2020
Doc
Просмотров: 5243


