|
Микросхемы служат в качестве усилителя мощности низкой частоты с выходной мощность до 1 Вт на нагрузку 4 Ом. Предназначена для применения в переносных телевизорах и радиопремнаках. Аналог микросхемы TAA300 (функциональный аналог). Содержат 32 интегральных элемента. Конструктивно оформлены в корпусе типа 201.9-1. Масса не более 1,5 гр.
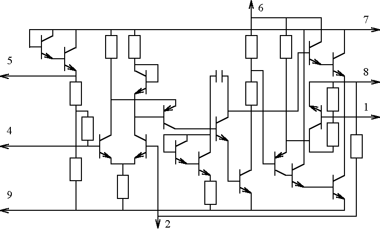
Принципиальная схема ИМС К174УН4
Типовая схема включения ИМС К174УН4
Электрические параметры
Предельно допустимые режимы эксплуатации
Общие рекомендации по применению При проведении монтажных операций допускается не более двух перепаек выводов микросхем. Температура пайки 235 ± 5°С, расстояние от корпуса до места пайки на более 1,5 мм, продолжительность пайки не более 6 с. При эксплуатации микросхемы должна быть предусмотрена защита от случайного увеличения напряжения питания. Эксплуатация микросхем допускается только с применением теплоотвода. Для устранения высокочастотной генерации необходимо уменьшать индуктивность проводов, соединяющие вывод 7 с источником питания, использовать только короткие провода, экранировать провод, соединяющий вход микросхемы с генератором сигналов. Регулировка коэффициента усиления напряжения на низких частотах может быть проведена изменением емкостей конденсаторов С2 и С4. Ослабление усиления на верхней граничной частоте 20кГц - не более 3 дб. Допускается регулировка коэффициента усиления напряжения с помощью изменения сопротивления резистора обратной связи R2 (в пределах 240 Ом…2,7 кОм) и емкости конденсатора С2. Допустимое значение статического потенциала 200 В.
Литература Микросхемы для бытовой радиоаппаратуры: Справочник /И. В. Новачек, В. М. Петухов, И. П. Блудов, А. В. Юровский. - Москва: КУБК-а, 1995г. - 384с.:ил. Интегральные микросхемы и их зарубежные аналоги: Справочник. Том 2./А. В. Нефедов. - М.:КУБК-а, 1996г. - 640с.:ил. Аналоговые интегральные микросхемы: Справочник /А .Л. Булычев, В. И. Галкин, В. А. Прохоренко. - 2-е издание, переработанное и дополненное - Минск: Беларусь, 1993г. - 382с. Аналоговые интегральные микросхемы для бытовой радиоаппаратуры: Справочник /Д. И. Атаев, В. А. Болотников. - Москва: Издательство МЭИ, 1991г. 240 с., ил. |
Усилитель мощности К174УН4А, К174УН4Б, ТАА300
Doc
Просмотров: 10344
