|
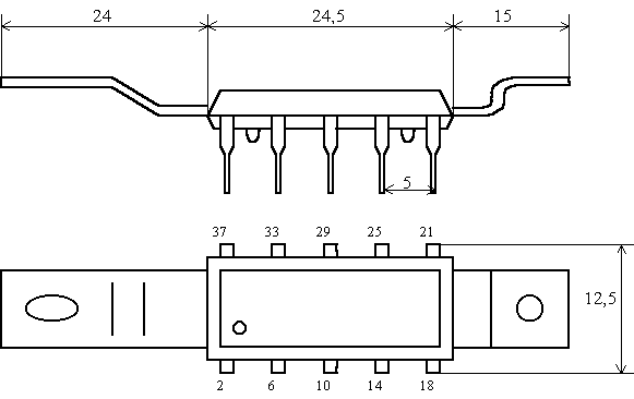
Микросхема представляет собой усилитель мощности с номинальной выходной мощностью 2 Вт при нагрузке 4 Ом для работы в звуковых трактах аппаратуры. Содержит 42 интегральных элемента. Микросхема конструктивно оформлена в корпусе типа 238.12-1 и второй вариант приведен на рисунке, масса не более 2 гр.
|

Второй вариант корпуса ИМС К174УН5.

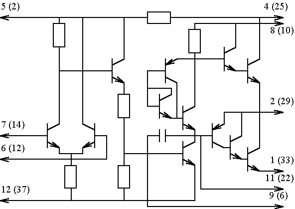
Принципиальная схема ИМС К174УН5.
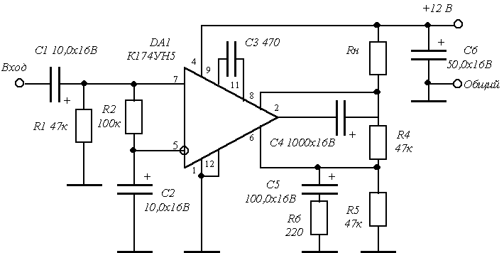
Типовая схема включения ИМС К174УН5.
Электрические параметры
| 1 | Номинальное напряжение питания | 12 В ± 10 % |
| 2 | Ток потребления при Uп = 12 В | Ј 30 мА |
| 3 | Коэффициент усиления при Uп = 12 В, fвх = 1 кГц | 80 ... 120 |
| 4 |
Нестабильность коэффициента усиления напряжения при Uп = 12 В, fвх = 1 кГц не более |
± 20 % |
| 5 |
Коэффициент нелинейных искажений при Uп = 12 В, fвх = 1 кГц, Pвых = 2 Вт |
Ј 1,0 % |
| 6 | Входное сопротивление при Uп = 12 В, fвх = 1 кГц | і 10 кОм |
| 7 |
Номинальная мощность отдаваемая в нагрузку Rн = 4 Ома при Uп = 12 В |
2,0 Вт |
| 8 | Диапазон рабочих частот по уровню 3 дБ | 30 ... 20 000 Гц |
Предельно допустимые режимы эксплуатации
| 1 | Напряжение питания | Ј 13,2 В |
| 2 | Максимальное напряжение синфазных сигналов | Ј 5,5 В |
| 3 | Максимальная амплитуда выходного напряжения | Ј 1,5 В |
| 4 | Амплитуда тока в нагрузке разового сигнала | Ј 1,45 А |
| 5 |
Максимальная длительность выходного импульса при скважности 3 |
Ј 30 мС |
| 6 | Активное сопротивление нагрузки | і 3,2 Ом |
| 7 | Температура кристалла | +125 °С |
| 8 |
Тепловое сопротивление: кристалл-корпус кристалл-среда |
20 °С/Вт 100 °С/Вт |
| 9 | Температура окружающей среды | -25 ... +55 °С |
Общие рекомендации по применению
Не допускается эксплуатация микросхемы в режиме, при котором два параметра имеют предельно допустимые значения.
При эксплуатации микросхемы должна быть предусмотрена ее защита от случайного увеличения напряжения питания. Эксплуатация микросхемы допускается только с применением теплоотвода.
При проведении монтажных операций допускается не более двух перепаек выводов микросхем. Температура пайки при монтаже микросхемы не более 265°С, продолжительность пайки вывода не более 3 с, интервал между пайками соседних выводов - 10 с. Расстояние от корпуса до места пайки на менее 1 мм.
При монтаже микросхемы рекомендуется предусматривать наименьшую длину выводов навесных элементов для уменьшения влияния паразитных связей. Замену микросхемы необходимо производить только при отключенном источнике питания.
Литература
Микросхемы для бытовой радиоаппаратуры: Справочник /И. В. Новачек, В. М. Петухов, И. П. Блудов, А. В. Юровский. - Москва: КУБК-а, 1995г. - 384с.:ил.
Интегральные микросхемы и их зарубежные аналоги: Справочник. Том 2./А. В. Нефедов. - М.:КУБК-а, 1996г. - 640с.:ил.
Аналоговые интегральные микросхемы: Справочник /А .Л. Булычев, В. И. Галкин, В. А. Прохоренко. - 2-е издание, переработанное и дополненное - Минск: Беларусь, 1993г. - 382с.
