|
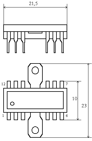
Микросхема представляет собой усилитель мощности звуковой частоты с номинальной выходной мощность 5,0 Вт на нагрузку 4 Ом. В состав микросхемы входят предварительный усилитель; выходной каскад; защиту выхода от коротких замыканий и перегрузки по току; стабилизатор тока. Аналог микросхемы TСA940 (функциональный аналог). Содержит 140 интегральных элементов. Конструктивно оформлена в корпусе типа 2104.12-1. Масса не более 2,5 гр.
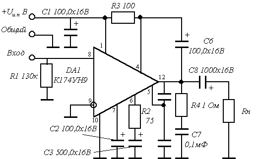
Типовая схема включения ИМС К174УН9
Электрические параметры
Предельно допустимые режимы эксплуатации
Общие рекомендации по применению При монтаже микросхемы необходимо предусматривать наименьшую длину соединений между выводами и навесными элементами для уменьшения влияния паразитных связей. Допускается использовать микросхемы только в типовой схеме включения. При проведении монтажных операций допускается не более трех перепаек выводов микросхемы. Температура пайки 235 ± 5°С, расстояние от корпуса до места пайки на более 1,5 мм, продолжительность пайки не более 6 с. Допускается использование микросхемы с нагрузкой не менее 3,2 Ом и напряжением питания менее 18 В. При увеличении сопротивления нагрузки и снижении напряжения питания выходная мощность уменьшается. Допускается использовать микросхему при напряжении питании не менее 5 В. Не допускается эксплуатация микросхемы без дополнительного теплоотвода. При температуре корпуса выше 35°С максимальная рассеиваемая мощность рассчитывается по формуле Р=(150-Ткорп)/12, Вт (с теплоотводом), где Ткорп - температура на поверхности теплоотвода у основания пластмассового корпуса микросхемы. Типовое напряжение питания для К174УН9А, К174УН9Б - 5…24 В (Uп = 28 В при отсутствии входного сигнала), К174УН9В - 5…18 В. Допустимое значение статического потенциала 30 В.
Литература Микросхемы для бытовой радиоаппаратуры: Справочник /И. В. Новачек, В. М. Петухов, И. П. Блудов, А. В. Юровский. - Москва: КУБК-а, 1995г. - 384с.:ил. Интегральные микросхемы и их зарубежные аналоги: Справочник. Том 2./А. В. Нефедов. - М.:КУБК-а, 1996г. - 640с.:ил. Аналоговые интегральные микросхемы: Справочник /А .Л. Булычев, В. И. Галкин, В. А. Прохоренко. - 2-е издание, переработанное и дополненное - Минск: Беларусь, 1993г. - 382с. |
Усилитель мощности К174УН9, ТCА940
Doc
Просмотров: 6508

