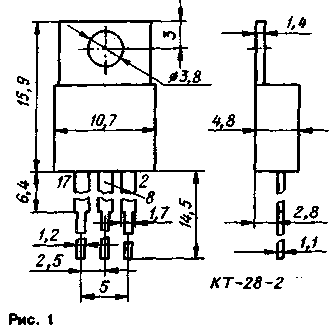
Микросхемы КР142ЕН12А. КР142ЕН12Б представляют собой регулируемый стабилизатор напряжения компенсационного тепа. Они выполнены по планарной диффузионной технологии с изоляцией р-п переходом. Стабилизатор работает с внешним делителем напряжения в измерительном элементе, что позволяет регулировать выходное напряжение в очень широких пределах - от 1,3 до 37 В. Регулирующий элемент стабилизатора включен в плюсовой провод питания. Выходной ток (ток нагрузки) - до 1 А. Эти микросхемные стабилизаторы относятся к самым "высоковольтным" в серии К 142. Они устойчивы к импульсным перегрузкам по мощности, оснащены системой защиты от перегрузок по выходному току. Приборы оформлены в пластмассовом корпусе КТ-28-2. Со стороны одной из широких граней в корпус вмонтирован удлиненный теплоотводящий фланец с крепежным отверстием (рис.1). Масса прибора - не более 2,5 г.
Электрические характеристики при Т=25 град. Минимальное выходное напряжение. В, ее более, при входном напряжении 5 В и
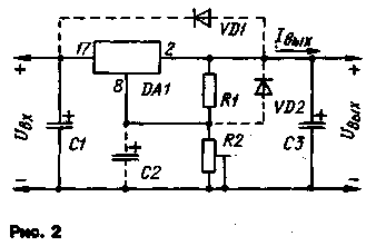
токе нагрузки 5 мА .......... .1,3 Предельно допустимые значения параметров Входное напряжете, В ............ 5...45 Микросхема рассчитана на работу с теплоотводом; крепление к теплоотводу - винтом с гайкой. Мощность, рассеиваемая микросхемой с теплоотводом, не должна превышать 10 Вт. В качестве заменителя теплоотвода может быть использована печатная плата. Теплоотводящий фланец микросхемы электрически соединен с выв.2; это необходимо учитывать при монтаже теплоотвода на плате или на. кожухе аппарата. Типовая схема включения микросхем КР142ЕН12А и КР142ЕН12Б показана на рис.2.
Резисторы R1 и R2 образуют внешний регулируемый делитель напряжения, входящий в измерительный элемент стабилизатора. Значения сопротивления резисторов должны быть связаны формулой
где Iи.э.-ток через резисторы R1 и R2 измерительного элемента; минимально допустимое значение этого тока - 55 мкА. Для снижения уровня фона при выходном напряжении, близком к минимальному, рекомендуется в измерительный элемент стабилизатора включать сглаживающий конденсатор С2. Емкость этого конденсатора должна быть достаточной для эффективного сглаживания (обычно около 10 мкф). Емкость конденсатора С1 - не менее 0,1 мкф, С3 - не менее 1 мкф. При выходном напряжении, превышающем 25 В, если возможно замыкание входной цепи стабилизатора, следует при наличии конденсатора С2 ввести в стабилизатор диоды V01 (КД510А) и VD2 (КД521А); при отсутствии конденсатора С2 достаточно одного диода VD1, когда емкость конденсатора С3 больше или равна 25 мкф. Если не исключено замыкание только выходной цепи стабилизатора, достаточно при наличии конденсатора С2 включения только диода VD2. При наличии сглаживающего фильтра на входе стабилизатора а том случав, когда между выходным конденсаторам фильтра и микросхемой нет коммутирующих устройств, приводящих к относительно медленному увеличению входного напряжения, и когда длина соединительных проводников между фильтром и микросхемой не превышает 70 мм, входным конденсатором стабилизатора может быть выходной конденсатор фильтра. Если выходной конденсатор фильтра керамический и его емкость менее -1 мкф, или если он алюминиевый и его емкость менее 10 мкф, то необходимо включение конденсатора С1 (см.рис.2) емкостью не менее 0,1 мкф, причем располагать его следует на расстоянии не более 70 мм от микросхемы. Для максимальной реализации стабилизирующих качеств микросхемы необходимо подключать резистивный делитель напряжения R1R2 и выходной конденсатор СЗ как можно ближе к ее выходу, а саму микросхему монтировать в непосредственной близости к нагрузке.
На рис.3 показана нагрузочная характеристика стабилизатора, иллюстрирующая работу устройства защиты от перегрузок (заштрихована зона технологического разброса параметров). Частотная характеристика коэффициента сглаживания пульсации выходного напряжения представлена на рис.4.
На рис.5 изображена зависимость выходного тока от падения напряжения на микросхеме. Восходящий участок кривой соответствует выходу микросхем мы на рабочий режим с максимальным выходным током. Второй прямой участок-рабочий.
При достижении некоторого порогового значения падения напряжения срабатывает система защиты и рабочая точка переходит на третий - криволинейный участок кривой, характеризующий собой режим ограничения выходного тока и рассеиваемой микросхемой мощности. |
КР142 ЕН12 (КРЕН12)
Doc
Просмотров: 56710




