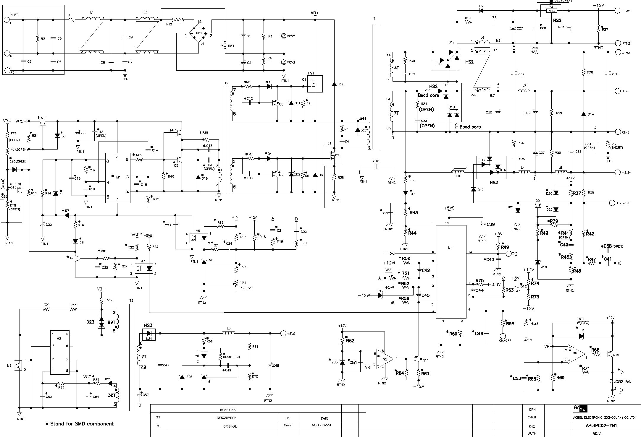
ATX AcBel API3PCD2 ATX-450P DNSS

AcBel API3PCD2 ATX 450P DNSS

AcBel API3PCD2 ATX 450P DNSS

Вся информация, предоставленная на данном ресурсе разрешена к ознакомлению детям школьного возраста. Все практическое использование может быть связана с повышенной электрической опасностью и разрешено детям только под присмотром взрослых.