Микрофон для обнаружения слабых акустических сигналов на микросхеме К237УН1

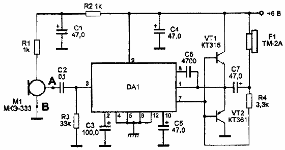
Микрофон на специализированной микросхемеПредлагаемое устройство собрано на широко распространенной микросхеме типа К237УН1 и предназначено для обнаружения слабых акустических сигналов. В схеме использован электретный микрофон типа МКЭ-333. Сигнал с микрофона M1 поступает на вход микросхемы DA1 типа К237УН1, которая представляет собой усилитель низкой частоты. Усилитель включен по типовой схеме. Транзисторы VT1 типа КТ315 и VT2 типа КТ361 выполняют роль эмиттерных повторителей и служат для усиления сигнала по току. В качестве нагрузки используется телефон типа ТМ-2А.
Настройка усилителя звуковой частоты заключается в получении максимальной мощности сигнала на выходе микросхемы DA1 путем изменения сопротивления резистора R3. Сопротивление резистора R3 подбирают таким, чтобы при номинальном напряжении питания 9 В и отсутствии сигнала звуковой частоты на входе микросхемы DA1 потенциал на выводе 1 микросхемы DA1 находился в пределах 3,75-3,85 В.
В случае неустойчивой работы усилителя, его самовозбуждения, необходимо между выходом микрофона М1 и конденсатором С2 включить резистор сопротивлением 2-68 кОм.
Устройство работоспособно в диапазоне питающих напряжений 3-9 В, потребляемый при этом ток составляет 2-6 мА.
Вместо микрофона возможно подключение многовитковой катушки индуктивности. Она подключается между точками А и В схемы. Микрофон M1 и резистор R1 при этом отключаются. В последнем случае возможна регистрация переменных магнитных полей.

Обсудить эту статью на форуме (0 ответов).
Вся информация, предоставленная на данном ресурсе разрешена к ознакомлению детям школьного возраста. Все практическое использование может быть связана с повышенной электрической опасностью и разрешено детям только под присмотром взрослых.