Высоковольтный разрядник для ТФ-линий(«прожигалка»)

Назначение. Предназначено для уничтожения устройств, незаконно подключенных к телефонной линии (радиопередатчики, диктофоны и т.п.) методом подачи в телефонную линию кратковременного импульса большой амплитуды. При соблюдении всех технических условий со стороны работников ГТС (грозоразрядники по входу АТС) никакого ущерба аппаратуре связи практически не причиняется. Как правило после процедуры применения качество связи напротив заметно улучшается за счет пробоя слоев окислов в местах скруток (что бы там не говорилось о пропайке контактов и сростков на линии связи – никогда это не выполнялось и не выполняется). Однако необходимо заметить, что если в линии присутствовал радиопередатчик последовательного типа, возможен обрыв связи за счет выгорания резистора обеспечивающего падение напряжения для такого рода устройств (см. соответствующую литературу типа «Шпионских штучек» и т.д.) Если в линии применяется устройство параллельного типа, то при помощи многократного разряда оно так же уничтожается, но по типу теплового пробоя или за счет выхода из строя системы автозапуска в диктофонах. Данное устройство выполнено по принципу прямого преобразования от сети и не имеет намоточных устройств. Тем не менее, в момент рабочего цикла обеспечивается полная гальваническая развязка сети 220 вольт от телефонных коммуникаций. Следует отметить, что применение данного устройства не приводит в восторг работников ГТС, поэтому особенно афишировать это не стоит. На настоящее время применение подобных устройств является самым действенным методом борьбы с несанкционированными методами съёма информации, впрочем, как и с санкционированными. Меры безопасности описывать, мне кажется не стоит, в принципе, каждый понимает, что 220 вольт не шутка, а тут всего-то около 1,5 кВ. Впрочем, хватит лирики!

 

 

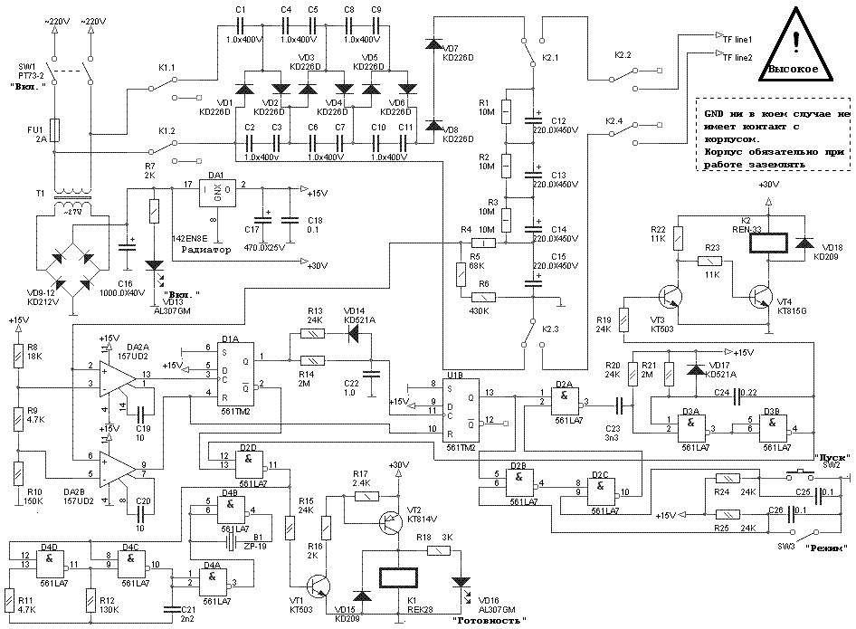
Работа схемы. Напряжение сети, проходя через умножитель (работа которого описывается во многих изданиях), увеличивается до величины около 1,2 кВ. При указанных номиналах емкостей умножителя полный заряд накопительных емкостей обеспечивается примерно за 20 секунд. Следует отметить, что увеличение емкостей умножителя значительно сокращает это время, но Вы проигрываете в габаритах. Суммарная емкость накопительных конденсаторов составляет 55мкФх1800В, чего вполне достаточно чтобы сжечь практически все, что есть лишнего в линии ( бывало что и тепловое реле на АТС старого типа разносило в клочки, однако при отсутствии грозоразрядников по входу, которые там обязаны стоять и, кстати, как правило, как ни странно, стоят). Параллельно накопительным емкостям стоят выравнивающие резисторы (обязательное условие), для равномерного заряда конденсаторов и выравнивания их рабочих напряжений, при таких напряжениях понятно к чему может привести превышение напряжение на емкости, причем при одновременной его недостаточности на соседней. Напряжение для анализа логикой степени заряда накопительных конденсаторов снимается с делителя R4/R6 (R5 необходим для более точного подбора напряжения на выходе данной цепи). Напряжение анализа поступает на двух-пороговый компаратор ИМС DA2, который предназначен для определения окончания цикла заряда, или при неиспользовании разрядника, для автоматического дозаряда накопительных емкостей до необходимой величины. Цепь R8-R10 формирует опорные напряжения компараторов. Появление единичного уровня при полном заряде на выходе DA2A приводит к опрокидыванию триггера D1A в состояние сработки, который запускает звуковой генератор оповещения (типа «убирайте руки») и ключа реле К1, которое отключает сетевое напряжение от умножителя, чем и обеспечивается гальваническая развязка от сети ~220 вольт. Реле К1, по возможности лучше использовать вакуумное с контактами пропускающими ток не менее 2А. Соответственно, при разряде накопительных емкостей DA2B выдает единицу для сброса этого триггера. Цепь R14C22 обеспечивает временную задержку для запуска разряда в автоматическом режиме, что является средством увеличения безопасности устройства. Триггер U1B используется для увеличения крутизны фронта единицы после цепи R14C22. Сбрасывается так же компаратором DA2B. Элементы D2B D2C определяют режим работы устройства (автоматический - ручной). D2A выдает разрешение на запуск формирователя длительности разрядного импульса, выполненного на элементах D3A D3B. С выхода формирователя длительности разряда сигнал подается на ключ реле К2, которое обеспечивает подключение накопительных емкостей к телефонной линии на величину времени, определяемую С24. Кроме того с выхода формирователя подается дубль-сигнал на запуск ключа реле К1, для надежности отключения сети от схемы. Емкости подключенные параллельно кнопкам и переключателям режимов работы обеспечивают дополнительную помехозащищенность по питанию от возможных импульсных помех по питанию (исключение самопроизвольных запусков, при всей их маловероятности). Реле К2 так же должно быть вакуумным, при максимальной величине, пропускаемого контактами тока. Напряжение с накопительных емкостей через контакты К2/1 и К2/2 подается в телефонную линию. В автоматическом режиме устройство будет подавать разрядные импульсы в линию многократно, до отключения питания или перевода в ручной режим. При ручном режиме, подача команды на разряд производится по усмотрению оператора после подачи устройством звукового сигнала.

Применение. До применения устройства необходимо отключить от линии все телефонные аппараты, АОНы и т.д., во избежание их порчи. Кроме того, если линия спаренная, то отключить так же блокиратор (в этом случае прожигается линия до блокиратора). Для того что бы реле К2 не вышло из строя, необходимо следить что бы выходные контакты не имели между собой в момент разряда короткого замыкания. Выходные контакты лучше всего выполнить на разъемах типа «крокодил», продублированных обычной телефонной вилкой с «ножевыми» контактами. Если Вам необходимо убедиться в работоспособности схемы, то подключите к выходным клеммам резистор на 0,5 – 20 кОм 0,125- 0,5 Вт и проведите на нем разряд. При этом необходимо чтобы Ваши глаза находились как можно дальше от «испытуемого» резистора. Заодно и убедитесь в эффективности данного устройства. В телефонной линии с «жучками» такого эффекта не происходит, но погибают они так же надежно.

 

Обсудить эту статью на форуме (0 ответов).
Вся информация, предоставленная на данном ресурсе разрешена к ознакомлению детям школьного возраста. Все практическое использование может быть связана с повышенной электрической опасностью и разрешено детям только под присмотром взрослых.