Жучок на микросхеме К155ЛА3

Характеристики жука:
1) Напряжение питания от 5 до 12в.Работает от 3 батареек для лазерной указки или часов.
2)Рабочая частота-100МГц в FM диапозоне при новых батарейках, но при разрядке частота может падать до 88МГц. Так что жук спокойно ловится обычными радиоприемниками.
3)Напрочь отсутствуют катушки.
4)Спаянный жук вместе с батарейками (исключая антену) полностью умещается в корпус от лазерной указки.
5)Слышимость. Кладем жука в один угол потоковой аудитории, отходим в противоположный и начинаем разговаривать. Человек с приемником, находящияся в коридоре, прекрасно слышит и различает наш негромкий разговор).
Дальность. Когда как. Максимум при котором отчетливо можно расслышать,-120 метров. Это - с питанием в 5в. С12в может быть и больше.
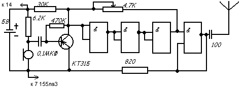
В схеме использован цифровой генератор несущей частоты. В целом жук состоит из трех частей: микрофона, усилителя и модулятора. В этой схеме используется простейший усилитель на одном транзисторе КТ315.
Принцип работы. Благодаря твоему разговору микрофон начинает пропускать через себя ток, который поступает на базу транзистора. Транзистор, благодаря поступившему напряжению, начинает открываться- пропускать ток от эмиттора к коллектору пропорционально току на базе. Чем громче орешь - тем больше проходит ток на модулятор. Подлючая микрофон к осцилогрофу и видим, выходное напряжение не превышает 0,5в и иногда ухлдит в минус (т.е. существует отрицательная волна, где U<0). Подключив усилитель к оцилографу,амплитута стала 5в (но теперь начали обрезаться и приводить к этой амплитуде громкие звуки) и напряжение всегда выше 0. Именно такой сигнал и поступает на модулятор, который состоит из генератора несущей частоты, собранного из четырех 2И-НЕ элементов.
Для порстояной генерации частоты инвертор замкнут сам на себя через переменный резистор. В генераторе нет ни одного конденсатора. Где же тогда задержка для частоты? Дело в том, что у микросхем есть так называемая задержка срабатывания. Именно благодаря ее получаем частоту 100Мгц и столь малые размеры схемы.
Собирать жука следует по частям. Т.е собрал блок - проверил; собрал следующий- проверил и так далее. Также не советуем делать то все дело на картонки или монтажные платы.
После сборки настраивают FM-приемник на 100МГц. Скажи что нибудь. Если это что-нибуть слышно, то все нормально, жук работает. Если слышны лишь слабые помехи или вообще тишина, то попробуй погонять приемник по другим частотам. Так же жуче ловится на китайские приемнички с автосканом.
Детали для жучка:
Резисторы: 30к, 470кб, 6,2к, 4,7(подстроичный),820. Резисторы маломощный.
Конденсаторы: 0,1мкф, 100.

Обсудить эту статью на форуме (0 ответов).
Вся информация, предоставленная на данном ресурсе разрешена к ознакомлению детям школьного возраста. Все практическое использование может быть связана с повышенной электрической опасностью и разрешено детям только под присмотром взрослых.