Детектор жучков с линейной шкалой из восьми светодиодов,регулировкой чувствительности и звуковой индикацией

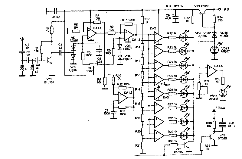
Данное устройство имеет некоторое сходство с описанным выше. Так, имеется усилитель ВЧ и детектор на сбалансированном резистивно-диодном мосте. Отличительной особенностью данного детектора поля является: фильтр высокой частоты на входе, усилитель постоянного тока на двух операционных усилителях, звуковой генератор, линейная светодиодная шкала и индикатор разряда батареи. Все это делает данное устройство несомненно более простым и удобным в эксплуатации. Принципиальная схема детектора поля приведена на рисунке.

 

Сигнал, принимаемый антенной, поступает на фильтр высокой частоты на элементах С 2, LI, C3, L2, необходимый для подавления сиг налов частотой менее 20 МГц. Это необходимо для уменьшения уровня низкочастотных сигналов, обычно составляющих фоновое радиоизлучение. С ФВЧ сигналы частотой более 20 МГц поступают на вход апериодического широкополосного усилителя высокой частоты, собранного на транзисторе VT1 типа КТ3101. С нагрузки усилителя - резистора R2 - напряжение высокой частоты через конденсатор С5 по ступает на диоды VD1, VD2 типа ГД507, входящие в состав резистивно-диодного моста. Для балансировки моста используется резистор R4. Работа моста уже была подробно описана выше.

Продетектированное низкочастотное напряжение, сглаженное конденсатором С6, поступает на усилитель постоянного тока, выполненный на двух операционных усилителях DA1.1 и DA1.2, входящих в состав микросхемы К1401УД1. С выхода элемента DA1.1 постоянное напряжение поступает на генератор звуковой частоты, выполненный на операционном усилителе DA1.3. Частота генератора зависит от уровня постоянного напряжения на неинвертирующем входе элемента DA1.3, которое, в свою очередь, зависит от уровня входного сигнала. Таким образом, чем больше уровень входного сигнала, тем выше частота генератора звуковой частоты. С выхода генератора звуковой сигнал поступает на базу транзистора VT4 типа КТ315, в коллекторную цепь которого включен пьезокерамический преобразователь ZQ1 типа ЗП-1.

Микросхемы DA2 и DA3 типа К1401УД1 составляют основу линейной шкалы. Операционные усилители, входящие в состав этих микросхем, включены по схеме компараторов напряжения. На неинвертирующие входы этих компараторов поступает опорное напряжение с линейки резисторов R14-R21. Другие входы компараторов соединены вместе, на них поступает постоянное напряжение с выхода усилителя постоянного тока DA1.2. При изменении этого напряжения от 0 до максимального значения происходит переключение компараторов, на выходе которых включены светодиоды VD5-VD14, образующие линейную светоизлучающую шкалу. Чем выше уровень сигнала на входе, тем больше светодиодов включено. Для уменьшения потребляемого светодиодной шкалой тока используется принцип динамической индикации. Для этого на базу транзистора VT2 типа КТ315 поступают импульсы с генератора звуковой частоты DA1.3, вызывая поочередное закрывание и открывание транзистора VT2. При закрывании транзистора VT2 положительное напряжение источника питания через резистор R32 поступает на катоды светодиодов VD5-VD14, что приводит к запиранию последних. Ток через светодиоды не течет и они гаснут. При открывании транзистора VT2 катоды светодиодов замыкаются на минус источника питания, и те светодиоды, на аноде которых присутствует положительное напряжение, загораются. Благодаря инерционным свойствам человеческого глаза мигание светодиодов становится незаметным. Индикатор разряда батареи выполнен на элементе DA1.4 и светодиодах VD13, VD14. При снижении напряжения источника питания уменьшается ток, протекающий через стабилитрон VD15 и светодиод VD13 и, соответственно, напряжение на аноде VD13. Это вызывает включение светодиода VD14. Уровень срабатывания уста навливается подстроечным резистором R33 при настройке. Все устройство питается от стабилизатора, собранного на элементах VT3, VD15, VD13, R34, С8.

В устройстве использованы резисторы типа МЛТ-0,125. Светодиоды VD5-VD14 могут быть любыми. Диоды VD1-VD4 - любые высокочастотные германиевые. Катушки L1 и L2 бескаркасные, диаметром 8 мм, намотанные проводом ПЭВ 0,6 мм. Катушка L1 - 8 витков, катушка L2 - 6 витков. Резистор R4 - любой переменный резистор с линейной характеристикой. Транзисторы VT2-VT4 могут быть типа КТ3102. Стабилитрон VD15 можно заменить на КС147, КС168, КС170. Пьезокерамический преобразователь ZQ1 - любой. Можно также использовать динамическую головку сопротивлением более 50 Ом, резистор R36 при этом можно из схемы исключить.

Настройка схемы особенностей не имеет.Перед началом работы необходимо настроить детектор на максимальную чувствительность резистором R4. Вращением движка резистора R4 добиваются свечения 1-2 светодиодов и выключения звуковой сигнализации. Прибор готов к работе.

Обсудить эту статью на форуме (0 ответов).
Вся информация, предоставленная на данном ресурсе разрешена к ознакомлению детям школьного возраста. Все практическое использование может быть связана с повышенной электрической опасностью и разрешено детям только под присмотром взрослых.