Сегодня каждый может приобрести или собрать самостоятельно радиомикрофон, а также телефонное радиопрослушивающее устройство. Если вы занимаетесь бизнесом, то иногда необходима уверенность в том, что ваш разговор в квартире или офисе не прослушивается. Ведь от соблюдения коммерческой тайны часто зависит успех дела.
бычно радиоподслушивающие устройства ("жучки") излучают на одной частоте в диапазоне 30...500 МГц небольшую мощность (до 5 мВт). Инода такие устройства работают в ждущем режиме: включаются на передачу при наличии шума в помещении (что обеспечивает экономичность расходования энергии элементов питания) или же при снятии телефонной трубки. "Жучки" могут иметь постоянное питание от сети 220 В — в этом случае они располагаются внутри розеток или переходных тройников.
Услуги специалистов по поиску таких закладок стоят довольно дорого. Самостоятельно разбирать и осматривать все электроприборы — займет очень много времени и не гарантирует успех (электрическую лампочку не разберешь, а в ней может находиться радиомикрофон).
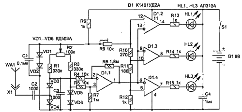
Простейшее устройство, которое способно вам помочь в обнаружении подслушивающих устройств, приведено на рис. 3.41.
Схема является широкополосным мостовым детектором ВЧ напряжения, который перекрывает диапазон частот 1...200 МГц (при использовании в качестве VD1...VD6 диодов СВЧ диапазона рабочая полоса может быть расширена) и позволяет обнаруживать "жучки" на расстоянии примерно 0,5...1 м (это зависит от мощности передатчика).
Известно, что измерение ВЧ напряжений с уровнем меньше 0,5 В затруднено тем, что уже при 0,2...0,3 В все полупроводниковые диоды при детектировании становятся неэффективны из-за особенности их вольт-амперной характеристики. 
данной схеме применен известный способ измерения малых переменных напряжений с использованием сбалансированного диодно- резистивного моста. Небольшой ток, протекающий через диоды VD3, VD4, улучшает условия детектирования (повышает чувствительность) и позволяет отодвинуть нижнюю границу уровня измеряемых напряжений до 20 мВ при равномерной амплитудно-частотной характеристике.
Диоды VD5, VD6 образуют второе плечо моста и обеспечивают термостабилизацию схемы. На элементах микросхемы D1.2...D1.4 собраны трехуровневые компараторы, к выходам которых подключены светодиодные индикаторы HL1...HL3.
Диоды VD1, VD2 применены как стабилизаторы напряжения 1,4 В, что необходимо для устойчивой работы схемы в широком диапазоне изменения питающих напряжений.
Применение устройства требует определенных навыков, так как схема довольно чувствительна и способна улавливать вблизи любые радиоизлучения, например работу гетеродина приемника или телевизора, а также вторичное переизлучение токопроводящими поверхностями.
Для облегчения поиска "жучка" используют сменные антенные штыри с разной длиной (рис. 3.42), которые позволяют снизить чувствительность схемы
При использовании устройства, после его включения, необходимо резистором R2 добиться свечения индикатора HL3. Этим мы устанавливаем уровень начальной чувствительности относительно фона. При поднесении антенны к источнику радиоизлучения должны начинать светиться светодиоды HL2 и HL1 по мере увеличения амплитуды принятого сигнала.
Регулировку схемы подстроечным резистором R9 выполняют один раз (при первоначальной настройке устройства от него зависит уровень порогов чувствительности компараторов).
Питается схема от аккумулятора 7Д-0.125Д или батарейки типа "Крона" и сохраняет работоспособность при изменении питания от 6 до 10В.
В схеме применены: переменные резисторы R2 типа СПЗ-36 (многооборотный), R9 типа СПЗ-19а, остальные резисторы — типа С2-23; конденсаторы С1...С4 типа К10-17; гнездо Х1 типа Г4,0, выключатель S1 типа ПД-9-2.
Светодиоды можно заменить на любые из серии КИП (при малом потребляемом токе они светятся достаточно ярко).