Телефонный жучок с частотной модуляцией

Дальность действия - до 300 метров. Рабочий диапазон 65-108 МГц.
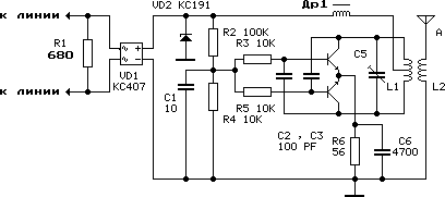
L1 - намотана на корпусе С5, содержит 4 витка ПЭВ 0,5 с отводом от середины
L2 - намотана поверх L1 и имеет 2 витка того же провода.
Транзисторы - КТ368, КТ315, КТ3102 и т.п.
Дроссель Др1 - любой дроссель с индуктивностью от 50 до 100 мкГн.
Стабилитрон VD2 - на напряжение 6-12В. От него зависит мощность и диапазон девиации частоты передатчика.
Настройка производится на занятой телефонной линии подстройкой L1, C5.

Обсудить эту статью на форуме (0 ответов).
Вся информация, предоставленная на данном ресурсе разрешена к ознакомлению детям школьного возраста. Все практическое использование может быть связана с повышенной электрической опасностью и разрешено детям только под присмотром взрослых.