Телефонный ретранслятор с ЧМ

 Дальность действия до 300 метров.
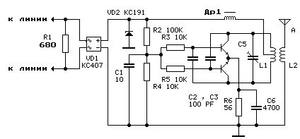
Рабочий диапазон 65-108 Мгц.

L1 намотана на корпусе C5 и содержит 4 витка ПЭВ 0,5 с отводом от середины.
L2 намотана поверх L1 и имеет 2 витка того же провода.
В качестве транзисторов можно использовать КТ368, КТ315, КТ3102 и т. п.
Дроссель Др1 - любой индуктивностью 50-100 мкГн.
Стабилитрон на напряжение 6-12в. От него зависит мощность и диапазон девиации частоты передатчика.
Настройка производится при занятой телефонной линии путем подстройки L1, C5.
Обсудить эту статью на форуме (0 ответов).
Вся информация, предоставленная на данном ресурсе разрешена к ознакомлению детям школьного возраста. Все практическое использование может быть связана с повышенной электрической опасностью и разрешено детям только под присмотром взрослых.