"Клоп" на 66...74 Мгц

Предлагаемая схема предназначена для прослушивания переговоров в помещениях на небольшом расстоянии.
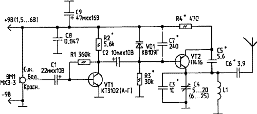
Чувствительность микрофона хватает для уверенного восприятия слабого звука (шепот, тихий разговор) на расстоянии 3...4 метра от микрофона. Дальность действия устройства - около 50 метров (при длине антенны передатчика 30...50 см). Схему передатчика желательно уменьшить до минимальных размеров (чтобы его не было видно). При использовании устройства на небольших расстояниях (до 15 м) питание можно снизить до 1,5...3 В. Питать передатчик желательно от малогабаритных элементов. Ток потребления составляет 3...4 мА. Рабочая частота передатчика - 66...74 Мгц.
Данные катушки L1 - 6 витков провода ПЭВ-2 0,5 мм и намотана на каркасе диаметром 4 мм с шагом намотки 1...1,5 мм. Частота генератора изменяется сжатием (растяжением) витков катушки L1.

Обсудить эту статью на форуме (0 ответов).
Вся информация, предоставленная на данном ресурсе разрешена к ознакомлению детям школьного возраста. Все практическое использование может быть связана с повышенной электрической опасностью и разрешено детям только под присмотром взрослых.