
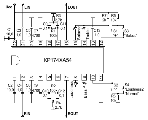
Микросхема КР174ХА54 выполняет функции регулятора громкости, тембра и баланса в стереофонических системах и предназначена для применения в низковольтной малогабаритной звуковоиспроизводящей аппаратуре с кнопочным управлением.
Диапазон регулировки громкости.........70дб.
Шаг регулировки............1,4дб.
Напряжение питания от 2,1 до 6,0 В.
Ток потребления..........10мА.