Дороботка 35АС-015 на основе лестнечного фильтра

В журнале “Радио” неоднократно описывались различные способы улучшения звучания акустической системы 35АС-1. Наиболее удачным можно считать предложение, опубликованное в [1]. Однако доработанная таким образом АС при хорошей АЧХ обладает и весьма существенным недостатком — заметно ухудшенной характеристикой направленности из-за повышения частоты разделения среднечастотного и высокочастотного звеньев фильтров до 10 кГц. А именно этот параметр наряду с АЧХ акустической мощности считается наиболее информативным с точки зрения оценки качества звучания АС в реальных помещениях прослушивания.

Характеристика направленности АС измеряется как зависимость развиваемого ею звукового давления на определенной частоте или в полосе частот в заглушенной камере от угла смещения измерительного микрофона относительно акустической оси АС в горизонтальной и вертикальной плоскостях. Частотная характеристика акустической мощности представляет собой зависимость величины излучаемой акустической мощности от частоты сигнала. Неравномерность частотной характеристики акустической мощности принято считать одним из основных параметров при оценке качества звучания AC [2].

Так как осевая неравномерность АЧХ в современных АС не превышает ±2 дБ, то основной вклад в неравномерность частотной характеристики акустической мощности вносит изменение ширины характеристики направленности как функция частоты сигнала. Влияние характеристики направленности на качество звучания АС проявляется в смещении стереообраза при изменении спектрального состава сигнала. При психофизиологических исследованиях качества звучания АС категории Hi-Fi отмечается, что АС с хорошей осевой АЧХ, но узкой характеристикой направленности (а также резкими изменениями ширины характеристики направленности при изменении частоты) звучат “жестко и утомительно” [2].

Существенное влияние на качество звучания многополосных АС оказывают разделительные фильтры, роль которых до недавнего времени недооценивалась. В большинстве промышленных моделей АС применяются разделительные фильтры, состоящие из пассивных LC-звеньев типа “К”, обычно не выше третьего порядка. В предлагаемой вниманию читателей доработанной АС “Электроника” 35АС-015 применен так называемый лестничный фильтр всепропускающего типа шестого порядка. Фильтры этого класса были предложены во второй половине 70-х годов [2]. В отличие от других применяемых в АС разделительных фильтров, они удовлетворяют одновременно нескольким требованиям:

обеспечивают плоскую суммарную АЧХ но напряжению, симметричные характеристики направленности АС в области частот разделения фильтров и малый уровень фазовых искажений. Кроме этого, они в наименьшей степени чувствительны к изменениям номиналов входящих в них элементов. Подобный фильтр, но четвертого порядка, используется в промышленной системе “Орбита” 100АС-003.

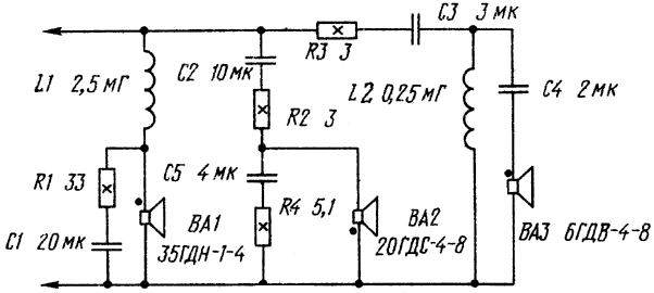
При доработке акустической системы “Электроника” 35АС-015 низкочастотное звено разделительного фильтра (рис. 1) оставлено без изменений. В среднечастотном звене изменены номиналы элементов для согласования с вновь установленной головкой 5ГДШ-5-4 (4 Ом), которая используется вместо 15ГД-11А. Как уже отмечалось в журнале, последняя не способна обеспечить приемлемого качества воспроизведения средних частот. Предварительно головку 5ГДШ-5-4 необходимо доработать, промазав диффузор с обеих сторон вибропоглощающей мастикой [1]. Окна диффузородержателя можно не заклеивать синтетическим войлоком, а перед установкой головки в изолирующий бокс завернуть ее в поролон толщиной около 8 мм. Свободное пространство бокса необходимо заполнить небольшим количеством ваты.

Среднечастотное звено (L4, С5, L5, С6, L6, С7) и высокочастотное (С8, L7, С9, L8, С10, L9) представляют собой лестничный фильтр всепропускающего типа шестого порядка с частотой раздела 4500 Гц. Как показали многочисленные эксперименты, выбор такой частоты раздела для данной модели АС наиболее приемлем с точки зрения получения наилучшей характеристики направленности.

Выбор относительно высокого порядка фильтра вызван желанием при использовании доступных динамических головок получить минимальные нелинейные искажения на средних и высоких частотах и устранить неприятную окраску звучания высокочастотной головки 10ГД-35, отмечаемую многими владельцами 35АС-1. Известно, что в динамических громкоговорителях амплитуда смещения диффузора при понижении частоты подводимого к головке синусоидального сигнала постоянной амплитуды увеличивается с крутизной около 12 дБ/на октаву вплоть до резонансной частоты головки. При этом звуковое давление, создаваемое головкой на частотах испытательного сигнала, не увеличивается (а может даже падать), а нелинейные искажения заметно растут. При достижении резонансной частоты амплитуда смещения диффузора уже не зависит от понижаемой частоты. Высокочастотный фильтр первого порядка с крутизной спада АЧХ 6 дБ/на октаву не может в достаточной степени изменить (уменьшить) рост этой зависимости. Чтобы крутизна роста амплитуды смещения диффузора, начиная с частоты разделения фильтра и кончая резонансной частотой головки, приближалась к нулю, крутизна спада его АЧХ должна составлять не менее 12 дБ/на октаву. Крутизна спада АЧХ примененного высокочастотного фильтра шестого порядка превышает 30 дБ/на октаву. Это позволило в значительной мере снизить нелинейные искажения головки 10ГД-35 на частотах, близких к ее резонансной частоте. Существует мнение, что фильтры высоких порядков вносят большие переходные и фазовые искажения. Однако, как показано в [2], подобные искажения, создаваемые фильтрами всепропускающего типа высоких порядков (вплоть до шестого), измеренные на многокомпонентных сигналах, лежат значительно ниже субъективных порогов слышимости.

Конструкция катушек индуктивности может быть произвольной. При их изготовлении автор использовал каркасы из органического стекла (можно из текстолита или эбонита), эскиз которых показан на рис. 2. Катушки L4—L6 намотаны проводом ПЭВ-1 0,8 и содержат соответственно 118, 106 и 76 витков. Катушки L7—L9 и L3 намотаны проводом ПЭВ-1 0,5 и содержат 128, 170, 248 и 236 витков соответственно. Пользуясь подходящим измерителем индуктивности (автор использовал Е7-9), желательно подогнать индуктивность катушек (с точностью до третьего знака) до значений, указанных на принципиальной схеме АС. Конденсаторы фильтров — МБГО-1 и МБГП-1,2 с отклонением от номинальных значений ±5 и ±10 %. Нестандартные номиналы набраны параллельным соединением конденсаторов со стандартными значениями. Все детали фильтров закреплены на отдельной панели, установленной внутри корпуса АС под низкочастотной головкой.

Доработанные указанным способом АС эксплуатируются с УМЗЧ, описанным в [3]. В качестве предварительного усилителя использовался усилитель с пассивным регулятором тембра, опубликованный в [4]. При эксплуатации доработанных АС в составе звуковоспроизводящего комплекса с активным регулятором тембра, обеспечивающим глубину регулирования АЧХ выше ±15 дБ, на входах СЧ- и ВЧ-звеньев фильтра желательно включить гасящие резисторы ПЭВ-7,5 (на схеме обозначены штриховой линией).

При оценке качества звучания переделанных АС все слушатели отмечали “легкость и прозрачность” звучания, его естественность, а также четкую локализацию источников звука в пространстве.

ЛИТЕРАТУРА

1. Жагирновский М., Шоров В. Улучшение звучания 35АС-1 и ее модификаций.— Радио, 1987, № 8, с. 29—30.

2. Алдошина И., Войшвилло А. Высококачественные акустические системы и излучатели.— М.: Радио и связь, 1985, с. 168.

3. Агеев А. УМЗЧ с малыми нелинейными искажениями.— Радио, 1987, № 2, с. 26—29.

4. Солнцев Ю. Высококачественный предварительный усилитель.— Радио, 1985, № 4, с. 32— 35.

Обсудить эту статью на форуме (0 ответов).
Вся информация, предоставленная на данном ресурсе разрешена к ознакомлению детям школьного возраста. Все практическое использование может быть связана с повышенной электрической опасностью и разрешено детям только под присмотром взрослых.