Цифровой ревербepaтор

Г. Брагин. RZ4HK г. Чапаевск


Цифровой ревербератор предназначается для создания эхо-эффекта за счет задержки звукового сигнала, подаваемого на балансный модулятор трансивера. Задержанный НЧ сигнал, оптимально смешанный с основным, придает передаваемому сигналу специфическую окраску, что улучшает разборчивость при проведении радиосвязи в условиях помех, делает его "накачанным" - считается, что при этом снижается пик-фактор. (Но кто-бы мне это доказал? RW3AY) ( Иллюзия снижения пик-фактора речи появляется за счет заполнения интервалов между периодами основного тона речи, задержанным во времени тем же сигналом. (RX3AKT))

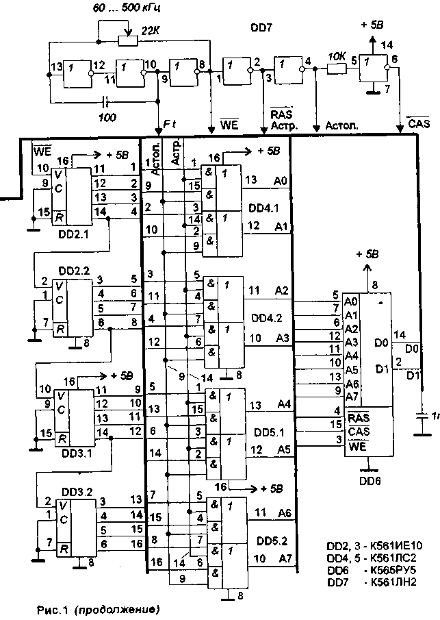
Ревербератор, приведенный на рис.1, состоит из микрофонного и выходного суммирующего усилителей, собранных на сдвоенном операционном усилителе К157УД2, аналого-цифрового (АЦП) и цифро-аналогового (ЦАП) преобразователей - микросхемы К554САЗ и К561ТМ2 и узла задержки, выполненного на микросхеме К565РУ5. В схеме кодировки адресов применяются микросхемы К561ИЕ10иК561ПС2.

Принцип работы подобного ревербератора достаточно подробно был изложен в [1,2,3].

Резистором R1, изменяя частоту тактового генератора, можно регулировать время задержки. Резисторами R2 и R3 подбирается глубина и уровень реверберации, соответственно. Манипулируя этими резисторами, оптимизируется работа всего ревербератора. Конденсаторами, обозначенными (*), необходимо добиться наилучшего качества сигнала по минимуму шумов. Большие искажения в задержанном сигнале свидетельствуют о неисправной микросхеме в узле кодировки адресов. Ревербератор собран на печатной плате из двухстороннего стеклотекстолита 130х58 мм. После сборки и настройки плата помещается в металлическую экранирующую коробочку соответствующего размера.

Литература

1. "В помощь радиолюбителю" № 95, стр.29.
2. Журнал "Радио" N 1 - 86, стр.47
3. Журнал "Радиолюбитель KB и УКВ" сентябрь 1995 г., стр.18

("Радио -Дизайн" Выпуск № 10 (3 .98))

Обсудить эту статью на форуме (0 ответов).
Вся информация, предоставленная на данном ресурсе разрешена к ознакомлению детям школьного возраста. Все практическое использование может быть связана с повышенной электрической опасностью и разрешено детям только под присмотром взрослых.