
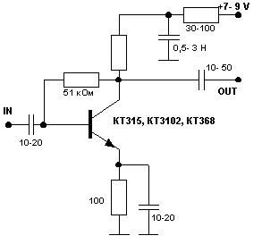
Этот усилитель способен повысить чувствительность любого FM приёмника в несколько раз! Схема вставляется между антенной и приёмником (в разрыв провода). Транзистор: КТ315 , КТ3102 , КТ368 с любой буквой. Лучше применить КТ368. Для примера: с данным усилителем у приемника на К174ХА34 чувствительность возросла до 2,5 мкВ/м. Следует учесть, что на больших расстояниях от передающей станции он не работает, но если поставить входной контур и настроить на двухгорбую характеристику, то усиление возрастает до 10 dB.