|
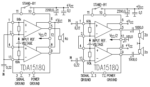
VCC MAX=18V |
P0=2X11W |
ICCO TYP=30mA |
Rin=60K |
|
VCC TYP=14,4V |
RL=2 Ohm |
ICCO MAX=- |
Gain=40dB |
|
VCC RNG=6...18V |
TDH=10% |
IMAX=4A |
Noise=1,5mkV |
|
VCC MAX=18V |
P0=2X11W |
ICCO TYP=30mA |
Rin=60K |
|
VCC TYP=14,4V |
RL=2 Ohm |
ICCO MAX=- |
Gain=40dB |
|
VCC RNG=6...18V |
TDH=10% |
IMAX=4A |
Noise=1,5mkV |
Вся информация, предоставленная на данном ресурсе разрешена к ознакомлению детям школьного возраста. Все практическое использование может быть связана с повышенной электрической опасностью и разрешено детям только под присмотром взрослых.