|
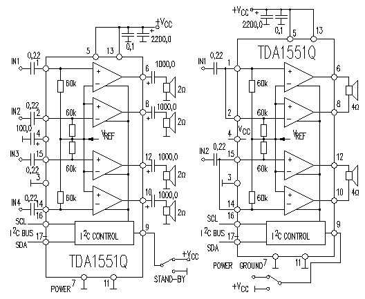
VCC MAX=18V |
P0=4X11W |
ICCO TYP=- |
Rin=-K |
|
VCC TYP=14,4V |
RL=2 Ohm |
ICCO MAX=- |
Gain=20dB |
|
VCC RNG=- |
TDH=10% |
IMAX=4A |
Noise=- |
|
VCC MAX=18V |
P0=4X11W |
ICCO TYP=- |
Rin=-K |
|
VCC TYP=14,4V |
RL=2 Ohm |
ICCO MAX=- |
Gain=20dB |
|
VCC RNG=- |
TDH=10% |
IMAX=4A |
Noise=- |
Вся информация, предоставленная на данном ресурсе разрешена к ознакомлению детям школьного возраста. Все практическое использование может быть связана с повышенной электрической опасностью и разрешено детям только под присмотром взрослых.