|
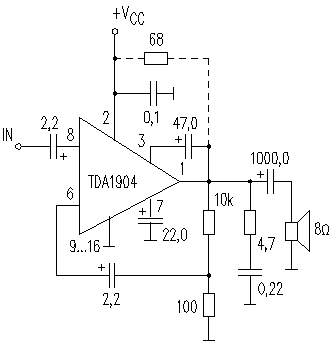
VCC MAX=20V |
P0=4W |
ICCO TYP=10mA |
Rin=150K |
|
VCC TYP=14V |
RL=4 Ohm |
ICCO MAX=18 |
Gain=40dB |
|
VCC RNG=4...20V |
TDH=10% |
IMAX=2A |
Noise=3mkV |
|
VCC MAX=20V |
P0=4W |
ICCO TYP=10mA |
Rin=150K |
|
VCC TYP=14V |
RL=4 Ohm |
ICCO MAX=18 |
Gain=40dB |
|
VCC RNG=4...20V |
TDH=10% |
IMAX=2A |
Noise=3mkV |
Вся информация, предоставленная на данном ресурсе разрешена к ознакомлению детям школьного возраста. Все практическое использование может быть связана с повышенной электрической опасностью и разрешено детям только под присмотром взрослых.