![]() |
|
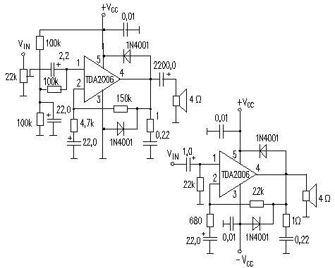
VCC MAX=(-+)15V |
P0=12W |
ICCO TYP=40mA |
Rin=5Mohm |
|
VCC TYP=(-+)12V |
RL=4 Ohm |
ICCO MAX=80mA |
Gain=30dB |
|
VCC RNG=(-+)6...15V |
TDH=10% |
IMAX=3A |
Noise=3mkV |
![]() |
|
VCC MAX=(-+)15V |
P0=12W |
ICCO TYP=40mA |
Rin=5Mohm |
|
VCC TYP=(-+)12V |
RL=4 Ohm |
ICCO MAX=80mA |
Gain=30dB |
|
VCC RNG=(-+)6...15V |
TDH=10% |
IMAX=3A |
Noise=3mkV |
Вся информация, предоставленная на данном ресурсе разрешена к ознакомлению детям школьного возраста. Все практическое использование может быть связана с повышенной электрической опасностью и разрешено детям только под присмотром взрослых.