|
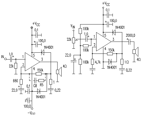
VCC MAX=(-+)18V |
P0=14W |
ICCO TYP=40mA |
Rin=5MOhm |
|
VCC TYP=(-+)14V |
RL=4 Ohm |
ICCO MAX=60mA |
Gain=30dB |
|
VCC RNG=(-+)6...18V |
TDH=0,5% |
IMAX=3,5A |
Noise=4mkV |
|
VCC MAX=(-+)18V |
P0=14W |
ICCO TYP=40mA |
Rin=5MOhm |
|
VCC TYP=(-+)14V |
RL=4 Ohm |
ICCO MAX=60mA |
Gain=30dB |
|
VCC RNG=(-+)6...18V |
TDH=0,5% |
IMAX=3,5A |
Noise=4mkV |
Вся информация, предоставленная на данном ресурсе разрешена к ознакомлению детям школьного возраста. Все практическое использование может быть связана с повышенной электрической опасностью и разрешено детям только под присмотром взрослых.