|
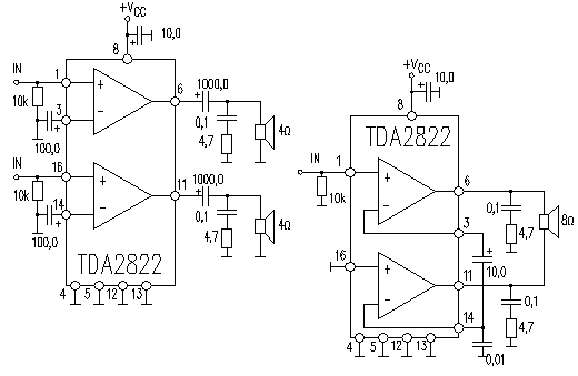
VCC MAX=15V |
P0=2X0,65W |
ICCO TYP=6mA |
Rin=100K |
|
VCC TYP=6V |
RL=4 Ohm |
ICCO MAX=12mA |
Gain=39dB |
|
VCC RNG=3...15V |
TDH=10% |
IMAX=1,5A |
Noise=2,5mkV |
|
VCC MAX=15V |
P0=2X0,65W |
ICCO TYP=6mA |
Rin=100K |
|
VCC TYP=6V |
RL=4 Ohm |
ICCO MAX=12mA |
Gain=39dB |
|
VCC RNG=3...15V |
TDH=10% |
IMAX=1,5A |
Noise=2,5mkV |
Вся информация, предоставленная на данном ресурсе разрешена к ознакомлению детям школьного возраста. Все практическое использование может быть связана с повышенной электрической опасностью и разрешено детям только под присмотром взрослых.