|
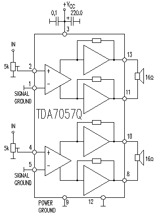
VCC MAX=18V |
P0=2X3W |
ICCO TYP=- |
Rin=- |
|
VCC TYP=11V |
RL=16 Ohm |
ICCO MAX=- |
Gain=39dB |
|
VCC RNG=3..18V |
TDH=10% |
IMAX=- |
Noise=- |
|
VCC MAX=18V |
P0=2X3W |
ICCO TYP=- |
Rin=- |
|
VCC TYP=11V |
RL=16 Ohm |
ICCO MAX=- |
Gain=39dB |
|
VCC RNG=3..18V |
TDH=10% |
IMAX=- |
Noise=- |
Вся информация, предоставленная на данном ресурсе разрешена к ознакомлению детям школьного возраста. Все практическое использование может быть связана с повышенной электрической опасностью и разрешено детям только под присмотром взрослых.