|
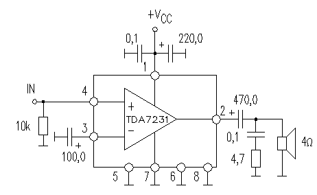
VCC MAX=16V |
P0=1,6W |
ICCO TYP=3,6mA |
Rin=100K |
|
VCC TYP=9V |
RL=4 Ohm |
ICCO MAX=9mA |
Gain=38dB |
|
VCC RNG=1,8...15V |
TDH=10% |
IMAX=1A |
Noise=3mkV |
|
VCC MAX=16V |
P0=1,6W |
ICCO TYP=3,6mA |
Rin=100K |
|
VCC TYP=9V |
RL=4 Ohm |
ICCO MAX=9mA |
Gain=38dB |
|
VCC RNG=1,8...15V |
TDH=10% |
IMAX=1A |
Noise=3mkV |
Вся информация, предоставленная на данном ресурсе разрешена к ознакомлению детям школьного возраста. Все практическое использование может быть связана с повышенной электрической опасностью и разрешено детям только под присмотром взрослых.