|
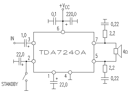
VCC MAX=18V |
P0=20W |
ICCO TYP=65mA |
Rin=70K |
|
VCC TYP=14,4V |
RL=4 Ohm |
ICCO MAX=10mA |
Gain=40dB |
|
VCC RNG=- |
TDH=10% |
IMAX=3,5A |
Noise=2mkV |
|
VCC MAX=18V |
P0=20W |
ICCO TYP=65mA |
Rin=70K |
|
VCC TYP=14,4V |
RL=4 Ohm |
ICCO MAX=10mA |
Gain=40dB |
|
VCC RNG=- |
TDH=10% |
IMAX=3,5A |
Noise=2mkV |
Вся информация, предоставленная на данном ресурсе разрешена к ознакомлению детям школьного возраста. Все практическое использование может быть связана с повышенной электрической опасностью и разрешено детям только под присмотром взрослых.