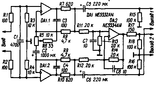
Для борьбы с фоном переменного тока сетевой частоты. наводимым на соединительные кабели, в высококачественных микрофонных усилителях используют симметричный вход, реализуемый, как правило, на сложных в изготовлении и требующих тщательного экранирования от внешних магнитных полей симметрирующих трансформаторах. На рисунке показана схема микрофонного усилителя, позволяющая обойтись без такого нетехнологичного элемента, как трансформатор. 
Основой устройства служит дифференциальный усилитель на ОУ DA1.1 и DA1.2. Его коэффициент усиления Ку=1+(R8+R9)/Rэ (Rэ - эквивалентное сопротивление соединенных последовательно резисторов R6 и введенной в цепь части резистора R5) и может регулироваться в пределах от 1,5 до 140 резистором R5. Усиленный сигнал через разделительные конденсаторы С5 и С6 поступает на симметричный Выход 1, а через второй дифференциальный усилитель (ОУ DA2) - на несимметричный Выход 2.
Так как современные ОУ обладают почти идеальным (более 70 дБ) подавлением синфазного сигнала, помехозащищенность усилителя определяется практически лишь согласованностью сопротивлений резисторов R3 и R4, R8 и R9, R11 и R12. R13 и R14 и, если они не отличаются от указанных на схеме более чем на 1 %, не уступает помехозащищенности лучших устройств с трансформаторным входом.
Входное сопротивление уси-лителя - 10 кОм. Питают его от двуполярного стабилизированного источника напряжением ±10 В.
В усилителе можно использовать отечественные ОУ К157УД2, КР1407УДЗ и (при снижении напряжения литания до ±.6 В) КФ1407УД4.
Микрофонный усилитель с симитричным входом
Doc
Просмотров: 4242