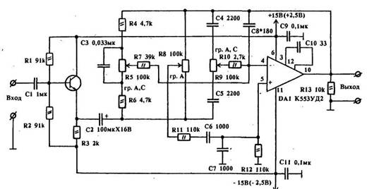
Трехполосный регулятор тембра

ОСНОВНЫЕ ТЕХНИЧЕСКИЕ ХАРАКТЕРИСТИКИ

Номинальное входное напряжение 250 мВ (50 мB)
Максимальное входное напряжение 500мВ (100мВ)
Пределы регулировки тембра на частотах 100 Гц и 10 кГц относительно частоты 1 кГц (R8 в среднем положении) ╠18 дБ (╠18дБ)
Пределы регулировки тембра на частоте 1 кГц ╠8дБ (╠8дБ)
Напряжение питания ╠15В (╠2,5 В)
Потребляемый ток 15мА (4мА)

В основу регулятора тембра, схема которого приведена на рисунке, положена разработка, опубликованная в книге "Конструирование дополнительных устройств к магнитофонам" (И.Боздеха. М. Энергоатомиздат, 1981 г., стр.91).

Корректирующий усилитель темброблока, в отличие от опубликованной схемы, собран на операционном усилителе (ОУ). Наличие ОУ позволяет дополнить устройство регулятором средних частот, что достигается введением положительной частотно-зависимой обратной связи.
Когда движок резистора R8 находится в нижнем по схеме положении, происходит ослабление входного сигнала в полосе пропускания полосою го фильтра (R11, С6, С7, R12). Если движок резистора R8 находится в верхнем положении, то происходит усиление выходного сигнала на частоте около 1 кГц (увеличивается глубина частотно-зависимой положительной обратной связи)'. Конденсатор С8 обеспечивает завал амплитудно-частотной характеристики устройства на частотах свыше 20 кГц.
Практика показала, что большая глубина регулировки на частотах 100 Гц и 10 кГц и сравнительно меньшая, на частоте 1 кГц, создают слушателям психологический комфорт при эксплуатации этого темброблока, а отсутствие резких перегибов в фазово-частотной характеристике (в отличие от полосовых регуляторов на LC-контурах) способствует "открытому" звучанию и не вносит дополнительной окраски.
При использовании схемы в микшерских пультах или в усилителях для электромузыкальных инструментов можно изменить центральную частоту регулятора средних частот, но при этом необходимо изменить и частоту раздела регуляторов низких и высоких частот. Если условие Fсч=Fраздела ВЧ, НЧ не выполняется, устройство работает как генератор синусоидальных колебаний.
Схема сохраняет работоспособность при снижении напряжения питания до 2В, что позволяет использовать ее в переносной аппаратуре с батарейным питанием.
Обсудить эту статью на форуме (0 ответов).
Вся информация, предоставленная на данном ресурсе разрешена к ознакомлению детям школьного возраста. Все практическое использование может быть связана с повышенной электрической опасностью и разрешено детям только под присмотром взрослых.