Усилитель воспроизведения на транзисторах

Усилитель воспроизведения на транзисторах предназначен для стереофонического катушечного магнитофона и рассчитан на работу с магнитными головками 6Д24Н.10, 6Д24Н.40, 6В24Н.4У.

 

 

Основные параметры
Рабочий диапазон частот на линейном выходе, Гц, при работе с лентой А4409-6Б на скорости, см/с  
19,05 30...18 000
9,53 30...15 000
Номинальное выходное напряжение, мВ 500
Коэффициент гармоник в рабочем диапазоне частот, %, не более 0,15
Относительный уровень шумов, дБ, не хуже -56
Разбаланс уровней сигналов стереоканалов (на частоте 1 кГц), дБ, не более 1
Рассогласование АЧХ на линейном выходе в рабочем диапазоне частот, дБ, не более 2

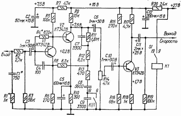
Усилитель (на рисунке изображен только один канал, второй ему идентичен) - трехкаскадный.

Для уменьшения шумов транзистор V1 работает с небольшим коллекторным током. Корректирующие элементы включены в цепь ООС R8R11-R13C7-С9, охватывающую первые два каскада. Дополнительную коррекцию сигнала (на высших частотах) можно получить подбором конденсатора С1* и резистора R1*, настроив контур, образованный ими и обмоткой магнитной головки, на частоту 24...25 кГц. Для переключения корректирующих цепей при переходе с одной скорости ленты на другую служит реле К1 типа РЭС-47 (паспорт РФ4.500.408П2 или РФ4.500.417П2).

Вместо указанных на схеме, в первых двух каскадах усилителя можно использовать транзисторы серий КТ373, КТ3102 со статическим коэффициентом передачи тока h21э> 400, в третьем - любые транзисторы серий КТ312, КТ315, КТ342, КТ3102 (коэффициент h21Э > 30).

Налаживание усилителя сводится к подбору резистора R4* и, если необходимо, к настройке контура магнитной головки для выравнивания АЧХ в области высших частот.

Обсудить эту статью на форуме (0 ответов).
Вся информация, предоставленная на данном ресурсе разрешена к ознакомлению детям школьного возраста. Все практическое использование может быть связана с повышенной электрической опасностью и разрешено детям только под присмотром взрослых.