Цифровой переключатель рода работы

Цифровой переключатель рода работы предназначен для магнитофона с электрическим управлением лентопротяжным механизмом и трактом записи - воспроизведения.

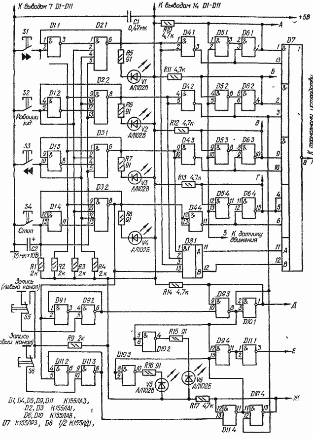
Устройство (рис IV. 14) содержит 12 RС-триггеров, выполненных на микросхемах D1-D3, D5, D6, D9-D11 (исключая элементы D9.4, D10.2, D10.3, D11.1), семь инверторов (D4.1-D4.4, D10.2, D10.3, D11.1), элемент совпадения (D9.4), расширитель по ИЛИ (D8) и элемент 2-2 2-ЗИ 4ИЛИ-НЕ (D7). Включенный режим работы индицируют светодиоды V1-V6.

http://www.radio-portal.ru/https://radio-portal.su/cache/r4-14_images_stories_pictures_thumb_medium600_0.png

http://www.radio-portal.ru/images/stories/pictures/r4-14.png
Основные режимы работы включают нажатием кнопок S1-S3, при этом для перехода с одного на другой не обязательно пользоваться кнопкой S4 Стоп: при смене режима устройство само вырабатывает сигнал, приводящий в действие тормозное устройство, и только после этого включает выбранный режим работы. Предусмотрена блокировка от случайного нажатия на две кнопки, а также от случайного включения режима записи. Чтобы включить магнитофон в режим Запись, необходимо сначала нажать на кнопку S4, затем на одну из кнопок S5, S6 (или на обе сразу, если записывается стереофоническая программа) и не отпуская ее, нажать на кнопку S2.

При включении питания переключатель устанавливается в положение Стоп RС-триггером на элементах D1.4, D3.2, который переходит в нулевое состояние. Триггеры остальных команд фиксируются в этом состоянии при соединении контактами кнопок S1-S3 входов элементов D1.1-D1.3 с общим проводом. При смене режима работы включенный до этого триггер возвращается в единичное состояние сигналом логического "0", поступающим через контакты нажатой кнопки на один из входов соответствующего элемента 4И-НЕ (D2.1, D2.2, D3.1, D3.2).

Сигнал логического "0", появившийся на выходе RS-триггера включенного режима работы, через инвертор (D4.1-D4.4) поступает на вход еще одною RS-тригтера (D5.1, D6.1; D5.2, D6.2; D5,3, D6.3; D5 4, D6.4) и один из входов элемента D7. Поскольку остальные входы этих триггеров соединены с датчиком движения ленты, то при наличии на выходе последнего сигнала логического "0" (а это значит, что лента неподвижна) инвертированный сигнал управления (напряжение логической "1") переводит триггер включенного режима работы в нулевое состояние и тем включает соответствующие исполнительные устройства (реле, электронные ключи и т. п.). Команды на включение этих устройств поступают по цепям А-Г. Если же лента движется (например, в режиме воспроизведения), то на входы элементов D4.1-D4.4 поступает сигнал логической "1". При нажатии на любую из кнопок S1, S3, S4 инвертированный сигнал управления (логическая "1") с выхода соответствующего инвертора (D4.1, D4.3, D4.4) поступает на соединенные с ним вход элемента И-НЕ (D6.1, D6.3, D6.4) и вход элемента D7 (выводы 13, 10, 6). Поскольку состояние триггера, в состав которого входит соответствующий элемент микросхемы D6, при этом не изменится, на выходе элемента D7 появится сигнал логического "0". В результате сработает тормозное устройство, и движение ленты начнет замедляться. Когда оно прекратится, на выходе датчика движения появится сигнал логическою "0", триггер перейдет в нулевое состояние, тормозное устройство отключится и, если была нажата кнопка S1 или S3, лента начнет перематываться. Вновь возникший на выходе датчика движения сигнал логической "1" ничего не изменит, так как на другом входе триггера поддерживается сигнал логического "0".

Чтобы включить режим записи, нажимают сначала на кнопку S4. При этом триггер на элементах D1.4, D3.2 переходит в нулевое состояние и напряжение логического "0" поступает на нижние (по схеме) входы элементов D9.1, D11.2. Если теперь нажать на кнопку S5 (запись в левом канале), триггер на элементах D9.1, D9.2 перейдет в нулевое состояние и останется в нем до тех пор, пока нижний (по схеме) вход элемента D9.2 соединен с резистором R9. Если в это время включить рабочий ход ленты кнопкой S2, появится сигнал логической "1" на верхнем (по схеме) входе элемента D10.1, и триггер, выполненный на нем и элементе D9.3, перейдет в нулевое состояние. В результате загорится светодиод V6, а по цепи Д поступит команда на включение режима записи в левом канале. Для выключения записи достаточно нажать на любую из кнопок S1, S3, S4. Аналогично, включается и выключается режим записи в правом канале.

Датчик движения может быть фотоэлектрическим, емкостным, индукционным, необходимо лишь, чтобы напряжение на его выходе при неподвижной ленте соответствовало уровню логического "0", а при движущейся - логической "1".

Обсудить эту статью на форуме (0 ответов).
Вся информация, предоставленная на данном ресурсе разрешена к ознакомлению детям школьного возраста. Все практическое использование может быть связана с повышенной электрической опасностью и разрешено детям только под присмотром взрослых.