Электронные переключатели входов

Электронные переключатели входов позволяют свести к минимуму наводки на коммутируемые цепи, упрощают конструкцию и повышают надежность звуковоспроизводящего устройства.

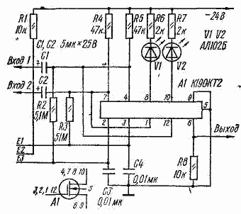
Переключатель на два входа (рис. 11.18) собран на интегральном коммутаторе К190КТ2, объединяющем в своем корпусе четыре полевых МОП-транзистора с каналом n-типа.

Два из них использованы для коммутации сигналов, поданных на входы 1, 2, два других - для коммутации светодиодов V1 и V2, индицирующих состояние устройства. Коммутатор сигналов выполнен по схеме триггера с автоматическим смещением. Коммутируемые сигналы подаются через конденсаторы С1 и С2 на стоки полевых транзисторов, выбранный сигнал снимается со стока. При касании сенсорных контактов Е1 и Е2 на выход коммутатора подается сигнал со входа 2 (зажигается светодиод V1), при касании контактов Е2 и ЕЗ - со входа 1 (зажигается светодиод V2). Если необходимо, чтобы с включением питания коммутатор устанавливался в определенное состояние, емкость конденсатора (СЗ или С4), соединенного с затвором транзистора, который должен остаться закрытым, надо увеличить в 1,5. .2 раза по сравнению с указанной на схеме. Для получения коэффициента передачи, близкого к единице, выходные сопротивления источников сигнала не должны превышать 1 - 2 кОм.

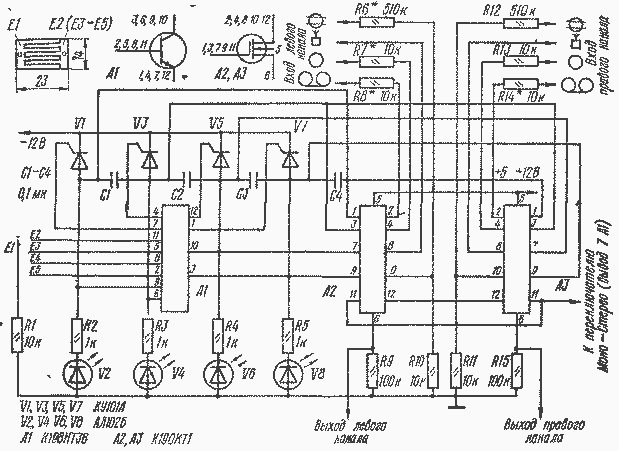
Переключатель на четыре входа предназначен для стереофонического устройства. Коэффициент гармоник при входном напряжении до 1В не превышает 0,15 %. Сопротивление нагрузки должно быть не менее 47 кОм.

Как видно из схемы, переключатель выполнен на транзисторной сборке А1, четырех тринисторах (VI, V3, V5, V7) и двух пятиканальных коммутаторах К190КТ1. Сенсорные контакты Е2-Е5 соединены с базами транзисторов сборки А1. В исходном состоянии все транзисторы этой сборки, тринисторы и электронные ключи коммутаторов А2, A3 закрыты, и светодиоды V2, V4, V6, V8 не светятся. При касании сенсорных контактов Е1 и Е2 транзистор сборки А1, база которого (вывод 11) соединена с контактом Е2, открывается, и импульс его коллекторного тока заставляет открыться тринистор V5. В результате зажигается светодиод V6, на затворы соответствующих транзисторов микросхем А2, A3 (выводы 7) подается напряжение отрицательной полярности, и они открываются, соединяя линейный выход приемника со входом усилителя ЗЧ. При касании другой пары контактов коммутатор работает аналогично, при этом ранее открытый тринистор закрывается под действием напряжений на обкладках соединенных с его анодом конденсаторов С1-С4 Для уменьшения проникания на выход сигналов отключенных источников программ на подложки транзисторов микросхем А2, A3 (выводы 5) подано положительное напряжение

Для переключения режимов МОНО и СТЕРЕО можно использовать двухвходовой переключатель (рис.1). Конденсаторы С1 и С2, а также резистор R8 из него в этом случае исключают, вывод 6 микросхемы А1 соединяют с общим проводом, а вывод 7 - с выводами 11 микросхем А2, A3 коммутатора входов. Режим Moнo включают после таких изменений прикосновением к сенсорным контактам Е1 и Е2.

При питании всего устройства напряжением 12 В сопротивления резисторов R6, R7 (см. рис.1) необходимо уменьшить до 1 кОм, при питании напряжением 24 В - необходимо увеличить до 2 кОм сопротивления резисторов R2- R5 (рис.2). Устройство сенсорных контактов показано в левой верхней части рис.2. Их изготовляют из фольгированного стеклотекстолита.

При отсутствии микросхем в коммутаторе можно использовать полевые транзисторы КП304А, а транзисторную сборку К198НТЗБ заменить транзисторами КТ315Б. Вместо тринисторов КУ101А допустимо использовать другие тринисторы этой серии, вместе светодиодов АЛ102Б - любые другие.

Налаживание коммутатора сводится к подбору резисторов R6* - R8*, R12* -R14*, чтобы привести к одному уровню напряжения, поступающие на входы от. разных источников программ.

Обсудить эту статью на форуме (0 ответов).
Вся информация, предоставленная на данном ресурсе разрешена к ознакомлению детям школьного возраста. Все практическое использование может быть связана с повышенной электрической опасностью и разрешено детям только под присмотром взрослых.