Инвертирующий линейный усилитель

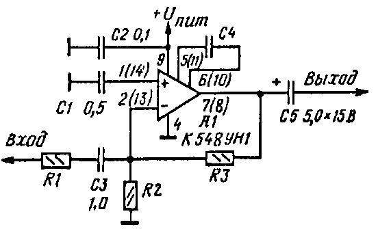
Инвертирующий линейный усилитель (рис. 2) позволяет избежать ограничения входного сигнала и устойчив без дополнительной коррекции, если усиление по постоянному току равно или больше 10. Скорость нарастания выходного сигнала усилителя в таком включении составляет не менее 4В/мкс (при отсутствии внешнего коррек- тирующего конденсатора). Коэффициент усиления по постоянному току определяется отношением сопротивлений резисторов цепи ООС R3 и R2 (K=R3/R2), по переменному - резисторов R3 и RI (Ku=R3/R1).

Сказанное выше в отношении выбора сопротивлении резисторов R1 - R3, емкости конденсатора С4, а также конденсаторов на входе усилителя (С1) и в цепи питания С2 полностью относится и к случаю использования микросхемы в качестве инвертирующего усилителя.

Необходимо отметить, что при таком включении микросхемы использовать для уменьшения шумов только один транзистор дифференциального каскада нельзя.
Обсудить эту статью на форуме (0 ответов).
Вся информация, предоставленная на данном ресурсе разрешена к ознакомлению детям школьного возраста. Все практическое использование может быть связана с повышенной электрической опасностью и разрешено детям только под присмотром взрослых.