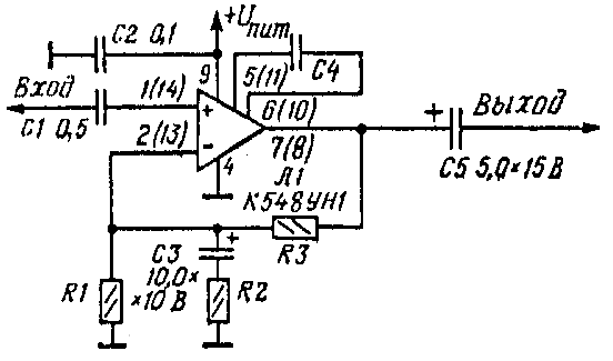
Неинвертирующий линейный усилитель

Неинвертирующий линейный усилитель получается при включении микросхемы, как показано на рис. 1 (в скобках указаны номера аналогичных по назначению выводов второго канала). Максимальное входное напряжение устройства составляет примерно 0,3 В. Коэффициент усиления по постоянному току K=1+R3/R1.

Максимальное сопротивление резистора R1 определяется при таком включении током базы Iб транзистора V2 (0,5 мкА) дифференциального каскада микросхемы: протекающий, через резистор ток должен быть, по крайней мере. в 10 раз больше базового тока. Учитывая, что напряженке на базе транзистора V2 должно быть таким же, как и на базе транзистора V4 этого каскада (а там оно составляет 1.3 В), максимальное сопротивление резистора R1 рассчитывают по формуле R1= 1,3/10Iб, откуда следует, что оно должно быть не более 260 кОм.

Сопротивление резистора R3, зависящие от напряжения питания, определяют из соотношения R3=(Uпит/2,6-1)R1. Поскольку наименьшее напряжение питания микросхемы равно 9 В, то минимальный коэффициент усиления постоянного тока составляет примерно 3,5. Максимальное его значение (при напряжении питания 30 В) - около 12.

Коэффициент усиления неинвертирующего усилителя на переменном токе Кu=1+R3/R2. При напряжении питания 25 В его в диапазоне частот 20...20 000 Гц можно сделать любым в пределах 10...1000.

Емкость конденсатора С4 (его включают параллельно корректирующему конденсатору микросхемы) зависит от требуемых усиления и полосы рабочих частот и для режима единичного усиления составляет 39...47 пФ. Конденсатор С1, развязывающий микросхему от предшествующих цепей по постоянному току, может иметь емкость от 0,2 мкФ и более, конденсатор С2, устраняющий паразитную связь по цепи питания, - 0,1...0,2 мкФ.

При необходимости шумы неинвертирующего усилительного каскада можно снизить (примерно в 1,4 раза), используя не оба, а только один из транзисторов дифференциального каскада. В этом случае вывод 2(13) микросхемы соединяют с общим проводом, а делитель RIC3R2R3 подключают к выводу 3(12), Максимальное сопротивление резистора R1 определяют из условия, чтобы текущий через него ток не менее чем в 5 раз превышал ток эмиттера Iэ транзистора V4 (100 мкА): R1=0,65/5Iэ (0,65- напряжение - в вольтах - на эмиттерах транзисторов V2, V4). При указанном соотнощенин токов сопротивление этого резистора должно быть не более 1,3 кОм. Что касается резистора R3, то его сопротивление при использовании одного транзистора на входе рассчитывают по формуле R3=(Uпит/1,3-1)R1.
Обсудить эту статью на форуме (0 ответов).
Вся информация, предоставленная на данном ресурсе разрешена к ознакомлению детям школьного возраста. Все практическое использование может быть связана с повышенной электрической опасностью и разрешено детям только под присмотром взрослых.