Низкочастотный ограничитель

Предлагаемый НЧ ограничитель является модернизированным вариантом НЧ speech - процессора, первоначально опубликованного ew1mm в журнале "Радиолюбитель КВ и УКВ" ╧9 за 1995 год. Устройство предназначено для повышения эффективности передачи в режиме SSB, однако с успехом может быть использовано и при работе FM. Для изготовления НЧ ограничителя не требуется каких-либо специальных знаний или навыков, достаточно лишь правильно выполнить монтаж и подключить устройство к трансиверу. Использовать микрофонный усилитель трансивера не следует, так как данное устройство его полностью заменяет. В сущности, это высококачественный микрофонный усилитель, развернутая схема которого с использованием дискретных элементов дали возможность довести каждый из каскадов до высоких параметров, предполагая легкую повторяемость конструкции и качественный сигнал на передачу.

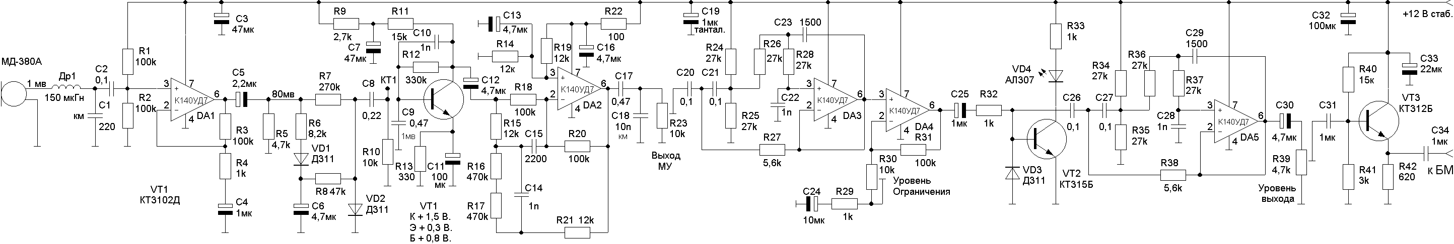
Назначение элементов:
DA1,VD1,VD2 - АРУ входного сигнала
DA2, VT1 - микрофонный усилитель (МУ) с подъемом АЧХ
DA3 - активный фильтр 300-3000 гц
DA4, VT2, VD3 - усилитель ограничитель
DA5 - активный фильтр 300-3000 гц
VT3 - эмиттерный повторитель
Одна из последних доработок конструкции - это введение АРУ входного сигнала. За основу была взята часть схемы опубликованной в [1,2] . Отказавшись от дефицитных импортных транзисторов и питания +24 в, мы использовали операционный усилитель К140УД7 и питание +12 в, что не повлияло на качество работы схемы. Полученные результаты дали возможность использовать схему АРУ входного сигнала в составе любых микрофонных усилителей, как их неотемлемой части. Для чего необходима АРУ входного сигнала? Известно, что при произнесении перед микрофоном на расстоянии 10-15см раскатистого а-а-а-а, милливольтметр подключенный к микрофону зарегистрирует напряжение звуковой частоты порядка 1- 2 мв. Однако в нашей речи присутствует много шипящих звуков и глухих согласных, мгновенно развивающих гораздо большую амплитуду, которая в зависимости от типа микрофона достигает 0,5 - 1 в, и это без каких-либо усилительных каскадов. Сказанное выше справедливо для всех типов микрофонов, лишь с той разницей, что в отличие от динамических микрофонов - электретные, кристалические и керамические имеют гораздо большие пиковые выбросы. Это легко проверить, достаточно посвистеть перед микрофоном или сказать фразу содержащую большее колличество шипящих звуков. При подключении микрофона к трансиверу выясняется,что первый каскад МУ на пиках перекачивается входным сигналом, получая на шипящих звуках большую амплитуду, в отличие от амплитуды среднего уровня. Даже если трансивер имеет хорошо зарекомендовавшую себя систему ALC проблема не решается, так как искажения и перекачка в НЧ тракте попали в полосу пропускания сигнала и скажутся на окраске передающего сигнала в целом.

Краткое описание работы схемы. Входной сигнал с микрофона уровнем приблизительно 1мв (среднее значение) поступает на каскад, собранный на DA1 - АРУ входного сигнала, работа которого полностью устраняет вышеописанные проблемы. НЧ сигнал усиливается до уровня около 80 мв, затем аттеньюируется с помощью диодов VD1 и VD2 до уровня равного входному сигналу. Здесь не происходит никакого ограничения сигнала. Сигнал в контрольной точке КТ1 будет имеет синусоидальную форму, а напряжение практически равно входному, т.е. сигналу развиваемому микрофоном, но при этом мгновенные пиковые выбросы отсутствуют. В случае если напряжение в КТ1 слегка выше входного (пиковые выбросы при этом также будут отсутствовать), его уменьшают до уровня входного с помощью подстроечного резистора R10. Далее сигнал усиливается с помощью малошумящего усилителя на VT1. Здесь задается качество будующего НЧ ограничителя, в частности отношение сигнал-шум. При настройке позже, следует установить указанные на схеме напряжения на выводах транзистора. Следующий каскад на DA2 - это усилитель с подъемом АЧХ в области высоких частот. Все резисторы в этом каскаде за исключением тех, что в цепи питания имеют разброс по номиналу плюс/минус 5%. Конденсаторы С14, С15 желательно пленочные, так же 5%. Выходное напряжение снимается через потенциометр R23.

Важный вопрос это фильтрация НЧ сигнала перед тем как он подвергнется ограничению. Эту роль выполняет активный фильтр собранный на DA3 c полосой пропускания 300 - 3000 гц. Конденсаторы С20, С21, С23 (желательно пленочные), а также резисторы в этом каскаде с разбросом 5%. Регулируемый Усилитель-Ограничитель собран на операционном усилителе DA4. Потенциометр R30 "Уровень Ограничения " выносится на переднюю панель устройства и имеет (желательно) логарифмическую зависимость. Соединение потенциометра с платой ограничителя производится экранированным проводом, причем оплетка заземляется с обоих сторон. Следует отметить, что все остальные подстроечные резисторы в конструкции расположены на печатной (монтажной) плате и на переднюю панель не выводятся. Если потенциометра с логарифмической зависимостью нет, а показательные изменения уровня ограничения в эфире производиться не будут, то можно применить потенциометр с любой зависимостью. Ограничение производится по выходу DA4, причем одна полуволна ограничивается с помощью диода VD3, другая переходом база - эммитер транзистора VT2. Как ни странно, окраска сигнала, и его объемность немного зависят и от типа диода VD3. Мы использовали диод Д311 (Д311А), затем применили импортный 1N4148 не являющийся дефицитным. Светодиод VD4 в цепи коллектора VT2 - индикатор уровня ограничения. Чем больше уровень ограничения, тем больше интенсивность свечения светодиода. После узла ограничения следует активный фильтр с полосой 300 - 3000 гц - DA5. Конденсаторы С26, С27, С29 (желательно пленочные), а так же резисторы в этом каскаде имеют расброс по номиналу 5%. Эммитерный повторитель собран на транзисторе VT3. Конденсаторы С31 и С34 неполярные, желательно пленочные. Общим требованием при изготовлении подобных устройств является применение заведомо исправных электролитических конденсаторов, а так же изготовление качественного стабилизированного источника питания с минимальной пульсацией выходного напряжения.

Настройка НЧ ограничителя сводится к подбору напряжений на выводах VT1 в указанной последовательности:

Путем подбора резистора R11 добиваются на коллекторе +1,5 в.
Подбирая номинал резистора R13 устанавливают на эммитере +0,3 в.
Затем устанавливают +0,8 в на базе подбирая R12.
После этого следует повторно проверить напряжения на выводах транзистора, т.к. изменение напряжения в одной точке ведет к небольшому изменению в другой.
Затем на вход схемы НЧ ограничителя подается низкочастотный сигнал частотой 1000 гц c амплитудой 1мв и убеждаемся с помощью осциллографа, что на подвижном контакте R23 "Выход МУ" сигнал имеет синусоидальную форму.
Затем потенциометр R30 "Уровень ограничения" ставят до упора против часовой стрелки, что соответствует минимуму ограничения, а осциллограф переносится в базу транзистора VT2.
Движок R23 cтавим в такое положение, чтобы сигнал в базе VT2 был не ограничен, а имел синусоидальную форму.
Затем ставим R30 в положение 80% от полного поворота движка потенциометра, это положение будет рабочим и соответствует 16 дБ ограничения.
Идентичность ограничения одной полуволны и другой проверяем осциллографом. При 100% повороте по часовой стрелке движка R30 ограничение составляет 20 дБ и может быть использовано при работе в Pile up (Pile up - англ.- "Свалка" на частоте).
При отсутствии НЧ генератора, но имея осциллограф достаточно подключить микрофон ко входу устройства и произнести раскатистое а-а-а-а на расстоянии 10-15 см от микрофона. Устанавливаем необходимый уровень напряжения с движка R23 контролируя сунусоидальный сигнал в базе VT2, при этом R30 "Уровень ограничения" находится в положении минимума ограничения.
Затем увеличиваем уровень ограничения, контролируя осциллографом форму ограниченного сигнала продолжая произносить перед микрофоном раскатистое а-а-а-а. Процесс настройки закончен.
Тем, кто собирается использовать НЧ ограничитель в составе р/станции Р143 рекомендуется произвести некоторую замену емкостей, установив следующие номиналы : С9- 0,68 мк; С12- 0,068 мк; C17- 0,22 мк; C34- 0,1 мк. Для "стошестидесятников", имеющих связной приемник Р160П в трансиверном режиме и собирающихся использовать НЧ ограничитель в составе заводского формирователя телефонных видов работ Б4-24 от Возбудителя "Лазурь" рекомендуется установить следующие емкости: C9- 0,047 мк, С12- 0,068, С17- 0,15 мк, С34- 0,1 мк. Желательно в качестве этих емкостей использовать пленочные конденсаторы. Уровень выхода на Балансный Модулятор устанавливают с помощью R39 "Уровень выхода". Желательно использовать микрофоны МД80 или МД380А применяемые в служебной радиосвязи. Если у Вас нет 5% резисторов и пленочных конденсаторов, а есть желание иметь НЧ ограничитель, не отчаивайтесь. Используйте те компоненты, какие у Вас имеются. Все будет хорошо. Разница между "Хорошо" и "Отлично" как правило не заметна на слух, а уловима лишь измерительными приборами.

Литература:
1. Radio-Electronics, 1972, March
2. Радио нр.4, 1974г., стр.57

Обсудить эту статью на форуме (0 ответов).
Вся информация, предоставленная на данном ресурсе разрешена к ознакомлению детям школьного возраста. Все практическое использование может быть связана с повышенной электрической опасностью и разрешено детям только под присмотром взрослых.