Простой высококачественный УМЗЧ

Анализ писем радиолюбителей, откликнувшихся на статью [1], позволил придти к следующим выводам. Во первых (и это естественно), все высказываются за создание простых в схемотехническом отношении усилителей мощности 3Ч (УМЗЧ); во-вторых, чем проще схема усилителя, тем менее подготовленные радиолюбители берутся за его сборку; в-третьих, даже опытные конструкторы нередко игнорируют известные правила монтажа, что приводит к неудачам при повторении УМЗЧ на современной элементной базе.

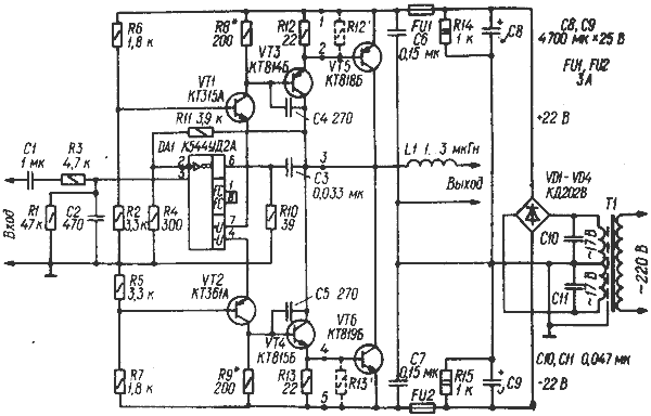
Исходя из сказанного, был разработан УМЗЧ (см. рис. 1) на базе усилителей, описанных в [1, 2].

Его основные особенности — использование ОУ в малосигнальном режиме (как и в усилителе, описанном в [1]), что расширяет полосу частот сигналов, воспроизводимых без превышения скорости нарастания выходного напряжения ОУ [3]; транзисторов выходного каскада — в схеме ОЭ, а предоконечного — с разделенной нагрузкой в цепях эмиттеров и коллекторов. Последнее, кроме очевидного конструктивного преимущества — возможности размещения всех четырех транзисторов на общем теплоотводе, дает определенные преимущества по сравнению с выходным каскадом, в котором транзисторы включены по схеме OK [2].

Основные технические характеристики УМЗЧ
Номинальный диапазон частот при неравномерности АЧХ 2 дБ, Гц... 20...20 000
Номинальная (максимальная)  выходная мощность, Вт, на нагрузке сопротивлением, Ом:
           4 ... 30(42)
           8 ... 15(21)
Коэффициент гармоник при номинальной мощности, %, не более, в номинальном  диапазоне частот... 0,01
Номинальное  (максимальное) входное напряжение, В... 0,8(1)
Входное сопротивление, кОм... 47
Выходное сопротивле-ние, Ом, не более... 0,03
Относительный уровень шума и фона, дБ, не более... —86 
Амплитуда   всплесков выходного напряжения при включении и выключении УМЗЧ, В, не более ... 0,1  

ОУ DA1 питается через тран-зисторы VT1 и VT2, которые снижают напряжения питания до требуемых значений. Токи покоя транзисторов создают падения напряжения на резисторах R8 и R9, достаточные для обеспечения необходимого напряжения смещения на базах транзисторов VT3, VT4 и VT5, VT6. При этом напряжения смещения для транзисторов оконечного каскада   выбраны   такими (0,35...0,4 В), чтобы они оставались надежно закрытыми при повышении напряжения питания на 10...15 % и перегреве на 60...80 °С. Снимаются они с резисторов R12, R13, которые одновременно стабилизируют режим работы транзисторов  предоконечного каскада и создают местные ООС по току.
Соотношение между сопротивлениями резисторов R11 и R4 цепи ООС выбрано из условия получения номинального входного напряжения, равного 0,8 В. Включение цепей внешней коррекции и балансировки ОУ для простоты на схеме не показано (об этом будет сказано в разделе, посвященном налаживанию усилителя).
ФНЧ R3C2 и ФВЧ C3R10 с частотами среза в области 60 кГц предотвращают работу сравнительно низкочастотных транзисторов VT3—VT6 на более высоких частотах во избежание их пробоя. Конденсаторы С4, С5 корректируют ФЧХ предоконечного и оконечного каскадов, предотвращая их самовозбуждение при неудачном монтаже.
Катушка L1 повышает стабильность работы УМЗЧ при значительной емкостной нагрузке.
УМЗЧ питается от нестабилизированного выпрямителя. Он может быть общим для обоих каналов стереоусилителя, однако в этом случае емкость конденсаторов фильтра С8 и С9 необходимо увеличить вдвое, а диаметр провода вторичной обмотки трансформатора Т1 —в 1,5 раза. Предохранители включают в цепи питания каждого из усилителей.
Конструкция УМЗЧ может быть различной, однако некоторые конструктивные особенности, от которых зависит успех его повторения, должны быть обязательно учтены.
Чертеж печатной платы и размещение деталей одного канала УМЗЧ приведены на рис. 2


Длина  выводов  деталей должна быть не более 7... 10 мм (для удобства монтажа выводы ОУ DA1 укорачивают примерно до 15 мм). В УМЗЧ необходимо использовать керамические конденсаторы с номинальным напряжением не менее 50 В. Плату можно закрепить на теплоотводе транзисторов оконечного каскада с помощью стоек высотой 15...20 мм или в непосредственной близости от него, применив для соединения оконечного каскада с предоконечным какой-либо разъемный соединитель, например МРН-22 (гнезда и штыри соединителя включают в точках 1—5). В последнем случае сопротивление резисторов R12 и R13 следует выбрать равным 43... 47 Ом, а на розетке соединителя с подключенными к ней транзисторами VT5, VT6 установить резисторы такого же сопротивления R12' и R13' (это предотвратит выход из строя транзисторов при потере контакта в соединителе). Длина проводников между платой и транзисторами    оконечного каскада должна быть не более 100 мм.
Кроме указанного на схеме, в УМЗЧ можно применить ОУ К140УД6Б, К140УД7А, К544УД1А, однако коэффициент гармоник на частотах выше 5 кГц возрастет в этом случае примерно до 0,3 %.
Транзисторы предоконечного каскада располагают на теплоотводе, согнутом из пластины размерами 70Х35ХЗ мм (без учета лапки с отверстием диаметром 2,2 мм) из алюминиевого сплава, которую одним винтом М2Х8 с гайкой крепят к плате для предотвращения обрыва выводов транзисторов при случайных механических воздействиях.
Транзисторы оконечного каскада можно расположить как на общем для каждого канала УМЗЧ теплоотводе, так и на теплоотводе, общем для обоих каналов. В первом случае их закрепляют на теплоотводе и изолируют последний от корпуса УМЗЧ, во втором — изолируют транзисторы, а теплоотвод может представлять собой конструктивный элемент корпуса усилителя. Для уменьшения теплового сопротивления корпус транзистора — теплоотвод необходимо использовать теплопроводную пасту. При использовании отдельных (для каждого канала) теплоотводов можно применять транзисторы в пластмассовом корпусе, которые из-за малой площади металлических оснований могут перегреваться при плохом выполнении прокладок или неплотном тепловом контакте с теплоотводом и чрезмерном количестве пасты в зазоре. На общем для обоих каналов теплоотводе целесообразно устанавливать транзисторы в металлическом корпусе. Площадь теплоотвода в расчете на один транзистор должна   быть   не   менее 500 см2.
Большое значение имеет монтаж УМЗЧ, соединение его каналов с источником питания. Провода питания (+22 В, —22 В и общий) должны быть возможно более короткими (к каждому каналу они должны быть проложены отдельно) и достаточно большого сечения (при максимальной мощности 42 Вт—не менее 1,5 мм2). Проводами такого же сечения должны быть подключены акустические системы, а также цепи эмиттеров и коллекторов транзисторов оконечного каскада к плате УМЗЧ.
Налаживают УМЗЧ при отключенном оконечном каскаде. Если для соединения частей УМЗЧ применен разъемный соединитель, удобно воспользоваться технологической розеткой, к которой подсоединены только провода питания и выход генератора сигналов 3Ч. При , непосредственном соединении оконечных транзисторов с платой УМЗЧ достаточно удалить перемычки из припоя с печатных проводников цепей их баз и временно припаять последние к выводам эмиттеров.
Для балансировки ОУ DA1 (если в этом возникнет необходимость) на плате предусмотрены отверстия под подстроенный и постоянные резисторы или проволочные перемычки для соединения выводов микросхемы в соответствии со схемой балансировки для конкретного типа. Например, для балансировки ОУ К544УД2 его выводы 1 и 8 через резистор сопротивлением 62 кОм соединяют с выводом движка и одним из выводов резистивного элемента подстроенного резистора сопротивлением 22 кОм. Свободный вывод этого резистора соединяют проволочной перемычкой с выводом 7 ОУ, а через резистор сопротивлением 75 кОм "— с выводом 5 (на рис. 2 эти элементы показаны штриховыми линиями). При    использовании    ОУ К544УД1 его вывод 1 через резистор    сопротивлением 4.3 кОм соединяют с выводами подстроенного резистора сопротивлением 1,5 кОм. Его свободный вывод подключают к выводу 8 ОУ через резистор    сопротивлением 5,1 кОм, а к выводу 7 — проволочной перемычкой. Для балансировки ОУ К140УД6 и К140УД7 используют резисторы тех же номиналов, но свободный вывод подстроечного резистора соединяют через постоянный резистор с выводом 5, а перемычкой — с выводом 4 ОУ. Впрочем, балансировка может и не понадобиться, поэтому эти детали устанавливают только при необходимости.
Налаживание начинают с того, что вход усилителя замыкают накоротко, к выходу подсоединяют  осциллограф, включенный в режим максимальной чувствительности, и кратковременно подают питание. Если на выходе нет переменного напряжения, т. е. самовозбуждение отсутствует, измеряют режим работы транзисторов VT3, VT4 и ОУ DA1 по постоянному току. Напряжения питания ОУ должны лежать в пределах +13,5...14 и —13,5...14 В и быть примерно одинаковыми (отклонение допустимо в пределах 0,2...0,3 В). Падения напряжения на резисторах R12 и R13 должны быть равны 0,35...0,4 В. Если же они значительно (более чем на 10 %) отличаются от указанной величины, необходимо подобрать резисторы R8, R9, следя за тем, чтобы их новые сопротивления оставались одинаковыми. Заменяют резисторы при выключенном питании УМЗЧ. Ориентировочное сопротивление резисторов для ОУ К544УД2А указано на схеме. При использовании ОУ К544УД1А    и К140УД6 за исходное следует выбрать  их  сопротивление 680 Ом, а при использовании К140УД7 — 560 Ом.
Подобрав резисторы R8, R9, измеряют постоянное напряжение на выходе УМЗЧ и, если оно превышает 20... 30 мВ, балансируют ОУ DA1. Затем подсоединяют   базы транзисторов VT5, VT6 к эмиттерам VT3, VT4 и, кратковременно включив питание, убеждаются, что и в таком виде УМЗЧ не самовозбуждается. Напряжение шумов и фона переменного тока при замкнутом накоротко входе не должно превышать 1 мВ.
Далее к выходу УМЗЧ подключают резистор сопротивлением 16 Ом с мощностью—рассеяния 10...15 Вт, размыкают вход УМЗЧ, подключают к нему настроенный на частоту 1 кГц генератор и, постепенно увеличивая его сигнал до получения на нагрузке напряжения 13,5...14 В, проверяют симметричность ограничения положительных и отрицательных полуволн синусоиды.
Минимального (в указанных пределах) постоянного напряжения на выходе усилителя добиваются при необходимости окончательной балансировкой ОУ DA1. После этого можно приступить к измерению основных характеристик УМЗЧ, нагрузив его номинальной нагрузкой — резистором сопротивлением 4 или 8 Ом. Более подробно особенности налаживания УМЗЧ такого типа описаны в [З].

 

Максимальная выходная мощность на нагрузке сопротивлением 4 Ом, Вт Схема № рисунка в тексте Рекомендуемый тип ОУ DA1 Рекомендуемые пары транзисторов оконечного каскада Сопротивление резисторов,Ом (кОм) Переменное наряжение, В
(ток, А) вторичной обмотки трансформатора Т1
Постояное напряжение питания УМЗЧ, В (в отсутствие сигнала) Ток предохранителя, А
R6,R7 (рис.1) R8,R9 (рис1) R6,R7 (рис.2)
15

20

25

40

60

3

3

1

1

1

К140УД6

К140УД6

К544УД2А

К544УД2А

К544УД2А

КТ805А и Т837А

КТ805Б и Т837Б

КТ818Б и Т819Б

КТ818В и Т819В

КТ818Г и КТ819Г

-

-

(1,5)

(1,8)

(3,3)

680

560

200

200

200

24(2)

30(2,5)

2Х15(3)

2Х18(3)

2Х23(4)

+17и-17

+20и-20

+20и-20

+23и -23

+30и -30

3

4

5

4

3

Следует, однако, учесть, что попытка наладить, а тем более точно оценить    параметры УМЗЧ, собранного без соблюдения указанных выше правил монтажа, не установив его на предназначенное для него место и не питая его от собственного блока питания, не только не даст желаемого результата, но и может привести к выходу из строя транзисторов выходного каскада. К налаживанию УМЗЧ и измерению его характеристик следует приступать только после полного завершения его конструкции. Простота усилителя только кажущаяся. Не следует забывать, что в составе как ОУ DA1, так и УМЗЧ в целом применены транзисторы с максимальными частотами генерации 100...300 МГц, причем в выходных каскадах — со значительными емкостями переходов, которые способны привести к самовозбуждению даже при кажущемся отсутствии цепей обратной связи и нагрузок достаточной величины. Незначительная индуктивность провода цепи эмиттера, параллельное расположение на значительной длине проводов цепей базы и коллектора могут стать причиной самовозбуждения на высоких частотах, что крайне опасно для транзисторов оконечного и предоконечного каскадов. (Впрочем, это справедливо не только для описываемого устройства, но и для УМЗЧ, собранного по любой другой схеме.)
Характеристики УМЗЧ измеряют по общеизвестным методикам с использованием соответствующей измерительной аппаратуры. Для измерения отдельных параметров, значения которых лежат за пределами возможностей серийных измерительных приборов (например, малых нелинейных искажений), можно пользоваться методиками, опубликованными в журнале «Радио» (см., например, [4]).
При измерении коэффициента гармоник и относительного уровня шумов и помех следует помнить о возможных наводках со стороны питающей сети, теле- и радиопередатчиков, телевизоров и других радиоприборов из-за плохой экранировки соединительных проводов,     входа УМЗЧ и чувствительных измерительных приборов, а также при отсутствии соединения их незаземленных корпусов друг с другом. Иногда достаточно переставить в розетке вилку кабеля питания одного из приборов или УМЗЧ, чтобы получить неверный результат. Кстати, не следует пользоваться известным из старой радиолюбительской практики способом проверки УМЗЧ прикосновением пальца к его входной цепи. Это может привести к такому уровню высокочастотных наводок, что выходные транзисторы выйдут из строя.
Рассмотренная схема может быть взята за основу при создании УМЗЧ с различной выходной мощностью. Для этого надо лишь изменить ряд элементов УМЗЧ и блока питания. Некоторые рекомендации по этому поводу можно почерпнуть из таблицы. При постройке УМЗЧ с выходной мощностью примерно 25 Вт часть элементов можно исключить (см. рис. 3).



Как видно, вместо резистора в цепи неинвертируюшего     входа ОУ DA1, соединенного с общим проводом, здесь применен делитель из резисторов R1—R3, что позволило отказаться от среднего вывода вторичной обмотки сетевого трансформатора Т1. Это позволяет использовать трансформаторы с напряжением вторичной обмотки 24...28 В и обеспечивает защиту акустической системы от выхода из строя при пробое одного из транзисторов оконечного каскада.
УМЗЧ по схеме на рис. 3 можно смонтировать на той же печатной плате (см. рис. 4). В этом случае отверстия под выводы резисторов R2, R5—R7 оставляют свободными, резисторы R8 и R9 впаивают непосредственно в цепи питания ОУ DA1, для чего в отверстия под выводы эмиттеров и коллекторов транзисторов VT1, VT2 устанавливают проволочные перемычки. При выходной мощности менее 25 Вт в оконечном каскаде можно применять транзисторы   серий КТ805 и КТ837 с любыми буквенными индексами.
Налаживание УМЗЧ по схеме рис. 3 не отличается от описанного выше.

Обсудить эту статью на форуме (0 ответов).
Вся информация, предоставленная на данном ресурсе разрешена к ознакомлению детям школьного возраста. Все практическое использование может быть связана с повышенной электрической опасностью и разрешено детям только под присмотром взрослых.