Темброблоки высококачественных стереофонических усилителей НЧ

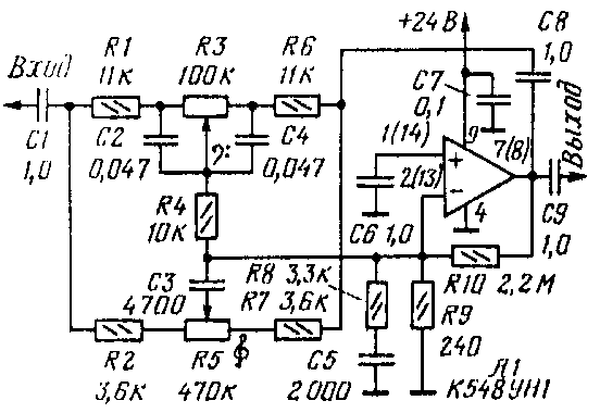
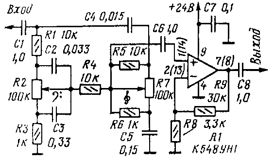
Темброблоки высококачественных стереофонических усилителей НЧ можно выполнить но схемам, показанным на рис. 5 и 6. В первом из них (рис. 5) для изменения АЧХ применен пассивный мостовой регулятор, а микросхема служит для компенсации вносимых им потерь на средних частотах, во втором (рис. 6) мостовой регулятор включен в цепь ООС, охватывающей микросхему (активный регулятор).
Диапазон регулирования тембра на частотах 40 и 16 000 Гц первого из устройств +/-15 дБ, второго - не менее +/- 12 дБ. Коэффициент передачи обоих устройств при установке движков резисторов в среднее положение равен 1, неравномерность АЧХ в этом положении движков зависит от отклонения параметров элементов от указанных на схеме и, если это отклонение не превышает +/-5%, составляет примерно +/-1 дБ в диапазоне частот 20...20 000 Гц. Достоинство активого регулятора тембра - возможность использования переменных резисторов группы А (в регуляторе по схеме на рис. 5 они должны быть группы В). Для нормальной работы обоих устройств выходное сопротивление предшествующего каскада должно быть небольшим (не более 2 кОм).

Рассмотренными примерами, естественно, не исчерпываются возможности применения микросхемы К548УН1 в аппаратуре записи и воспроизведения звука. С неменьшим успехом ее можно использовать в микшерских пультах, активных фильтрах, многополосных регуляторах тембра и т. д.
Обсудить эту статью на форуме (0 ответов).
Вся информация, предоставленная на данном ресурсе разрешена к ознакомлению детям школьного возраста. Все практическое использование может быть связана с повышенной электрической опасностью и разрешено детям только под присмотром взрослых.