В свое время мною было опробовано в работе множество УМЗЧ, описанных в журнале ╚Радио╩. В настоящее время слушаю музыку через УМЗЧ, предложенный И. Акулиничевым. Никакого подбора деталей (транзисторов) не производил, уменьшилтолько емкость конденсатора С2 с 5 до 1 мкф.└ Честно говоря, я ╚ошалел╩ от этого УМЗЧ - у него очень большие преимущества, если не брать во внимание 24-ваттную выходную мощность. Но меня она устраивает. Большое спасибо Ивану Тимофеевичу╩. Приведенное здесь благодарственное письмо радиолюбителя из г. Ревда Свердловской области Г. Хаматнурова не единственное после публикации статьи члена редколлегии журнала И. Акулиничева ╚УМЗЧ с глубокой ООС╩ (╚Радио╩╩, 1989, ╧10, с. 56-58). В настоящее время на базе этого усилителя Иван Тимофеевич разработал еще более простой УМЗЧ, параметры которого не хуже прототипа. Этот усилитель он длительное время использовал в качестве контрольного при сравнительных испытаниях различных вариантов УМЗЧ. В публикуемой ниже статье вниманию читателей предлагается его описание. Основная особенность нового УМЗЧ - использование в нем широкополосной ООС, частотная характеристика которой, в отличие от ООС обычных многокаскадных УМЗЧ, не имеет глубокого среза на высших звуковых частотах. Для реализации линеаризующих возможностей широкополосной ООС было решено отказаться от многокаскадного УМЗЧ и ограничить число его каскадов лишь крайне необходимым. Кроме того, пришлось отказаться и от применения элементов, создающих запаздывание усиливаемого сигнала, что дало возможность использовать ООС в частотном спектре коммутационных искажений. В результате с помощью ООС, действующей в диапазоне 40...60 кГц, удалось добиться снижения коэффициента нелинейных искажений на частоте 20 кГц до 0,05...0,01 % при использовании режима работы выходного каскада с нулевым током покоя.
Этот усилитель длительно использовался в качестве контрольного при сравнительных испытаниях неинвертирующих вариантов УМЗЧ. Он был повторен заинтересовавшимися его схемой конструкторами и в настоящее время надежно работает в нескольких стерео-комплексах. 
Принципиальная схема УМЗЧ с широкополосной ООС приведена на рис. 1. Предоконечный усилитель напряжения построен на двух транзисторах УТ1 и VT2. Через конденсатор С1 на базу транзистора VT1 поступает входной сигнал, а через резисторы R3, R4 ≈ балансирующее напряжение источника питания. Для гарантии стабильной работы усилителя емкости конденсаторов С1, С6 и С8 не должны отличаться от указанных на принципиальной схеме более j_50%. С целью защиты от случайных токовых перегрузок в коллекторную цепь транзистора УП включен резистор R7. Каскад на транзисторе VT2 обеспечивает основное усиление сигнала. Резисторная цепочка Rl 1R12 с традиционной вольтодобавкой через конденсатор С8 дает прирост амплитуды усиливаемого сигнала на 10...12%. Синхронность функциональных процессов в плечах усилителя обеспечивает конденсатор С5. Оконечный усилительтока построен на комплементарной паре транзисторов VT5-VT8, включенных по схеме с общим коллектором. Соединенные между собой эмиттерами транзисторы УТЗ, УГ4 подключены базами к базам транзисторов УТ7, VT8, а коллекторами ≈ к базам транзисторов VT5, VT6. С помощью включенного в цепь токовой обратной связи ∙переменного резистора R13 подстраивается напряжение на базах транзисторов VT3, VT4 и, таким образом, обеспечивается установка напряжения на базах транзисторов VT7, VT8 на 0,1...0,2 В ниже обычного и работа оконечных транзисторов в режиме усиления с нулевым током покоя. Питается УМЗЧ от автономного выпрямителя без гальванической связи с общим проводом. Благодаря этому удалось надежно защитить АС от постоянной составляющей тока оконечных транзисторов, не вводя в усилитель сложных релейно-транзисторных устройств защиты.
УМЗЧ выполнен в едином блоке с выпрямителем. Его габариты(135х90х60 мм) определяются размерами теплоотводов и конденсаторов фильтров. Масса блока ≈ 560 г. Смонтирован блок на двух пластинах размерами 130х58, между которыми зажаты теплоотводы и фильтрующие конденсаторы. На одной из пластин размещены выпрямительные диоды и выходные цепи, а на другой ≈ все транзисторы, конденсаторы и резисторы. Большинство соединений сделаны собственными выводамм комплектующих элементов. Резистор R6, конденсаторы С11. С 12, входные цепи и цепи нагрузки соединены с общим проводом в одной точке. Если рекомендация моноблочного построения УМЗЧ не будет использована, то потребуется блокировка цепей питания конденсаторами емкостью 0,1 мкФ.
В авторском варианте блок УМЗЧ был установлен в АС и соединялся с трансформатором питания и темброблоком четырьмя проводами.
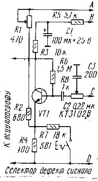
Для проверки параметров собранного усилителя и эффективности использованных в нем технических решений рекомендуется собрать селектор дефект-сигнала. Его схема приведена на рис. 2. Переменные резисторы ≈ Rl и R8 обеспечивают балансировку и компенсацию запаздывания контролируемого сигнала.
Поскольку селектор приспосабливался для контроля работы УМЗЧ с коэффициентом усиления 10 и с минимальным запаздыванием выходного сигнала, пределы его настройки сознательно ограничены. Использование его для контроля неинвертирующих вариантов усилителей с коэффициентом усиления 15...20 потребует подключения последовательно резистору R2 постоянного или переменного резистора сопротивлением 1...2 кОм. Многокаскадные УМЗЧ обычно создают значительное запаздывание выходного сигнала и потому в этих случаях может потребоваться увеличить емкость конденсатора СЗ до 350...500 пФ или включить вместо-него конденсатор переменной емкости.
И в заключение хочется отметить: если УМЗЧ с широкополосной ООС заинтересует радиолюбителей, то автор будет считать полезным свой вклад в преодоление ими боязни режима усиления с нулевым током покоя.