Усилитель воспроизведения катушечного магнитофона

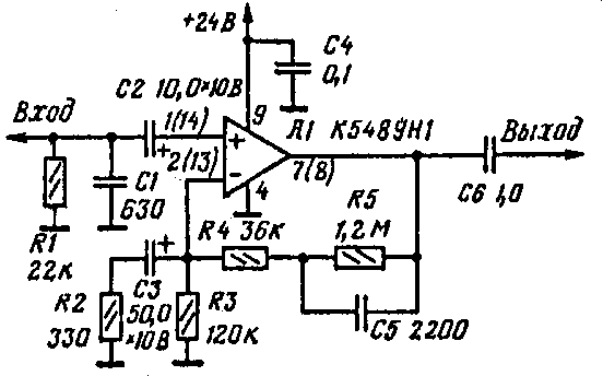
Усилитель воспроизведения катушечного магнитофона можно собрать по схеме, приведенной на рис. 3. При использовании универсальной магнитной головки 6Д24Н.1.У (от "Маяка-203") и скорости ленты 19,05 см/с усилитель имеет следущие технические характеристики:
Рабочий диапазон частот, Гц: 40...18000
Номинальное напряжение, мВ, на частоте 1 кГц:
входное: 1
выходное: 250
Коэффициент гирмоническнх искажений на частоте 1 кГц, %, не более: 0,2
Относительный уровень шумов в канале воспроизведения, дБ, не более: -53
Как видно из рис. микросхема К548УН1 включена в данном случае по схеме неинвертирующего усилителя с использованием обоих транзисторов дифференциального каскада. Требуемая коррекция АЧХ обеспечивается частотнозависимой цепью R4R5C5. Постоянная времени коррекции - 75 мкс - задана параметрами резистора R4 и конденсатора С5. Для коррекции АЧХ в области высших частот рабочего днапаэона частот служит конденсатрр С1, образующий вместе c индуктивностью магнитной головки колебательный контур, настроенный на частоту 18...20 кГц.
Обсудить эту статью на форуме (0 ответов).
Вся информация, предоставленная на данном ресурсе разрешена к ознакомлению детям школьного возраста. Все практическое использование может быть связана с повышенной электрической опасностью и разрешено детям только под присмотром взрослых.