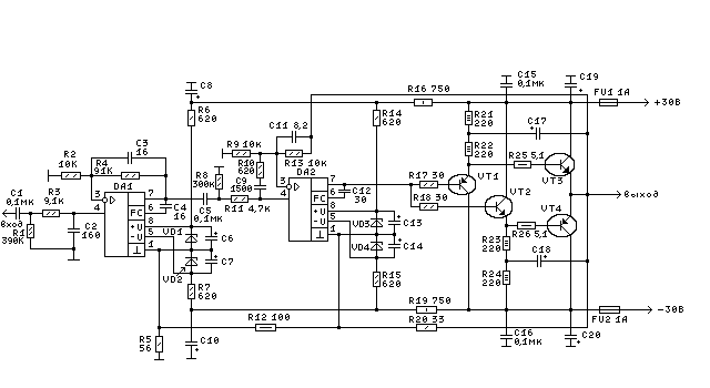
Усилитель мощности

Значицца так, по поводу юзуемых деталей, не указанных в схеме:


-C8,C10 - 50MK X 25В;
-С6,С7,С13,С14 - 30МК Х 15В;
-С17,С18 - 100МК Х 25В;
-С19,С20 - 2000МК Х 50В;
-R21-R24 - каждый - 3 последовательно включенных резистора по 75 Ом(1W);
-VD1-VD4 - KC515A;
-VT1,VT4 - KT818B;
-VT2,VT3 - KT819B;
-DA1,DA2 - K574УД1A.

Параметры: -Р вых.ном. 25Вт при R н 8 Ом; -К г не более 0,003%.
Обсудить эту статью на форуме (0 ответов).
Вся информация, предоставленная на данном ресурсе разрешена к ознакомлению детям школьного возраста. Все практическое использование может быть связана с повышенной электрической опасностью и разрешено детям только под присмотром взрослых.