Усилитель мощности ЗЧ

Предлагаемый вниманию радиолюбителей  усилитель 3Ч имеет очень низкие коэффициенты гармонических и интермодуляционных искажений, он сравнительно прост, способен выдерживать кратковременное короткое замыкание в нагрузке, не требует выносных элементов термостабилизации тока транзисторов выходного каскада.

Основные технические характеристики
Максимальная мощность на нагрузке сопротивлением 4 0м, Вт... 80
Номинальный диапазон частот, Гц.... 20...20 000
Коэффициент гармоник при максимальной выходной   мощности 80  Вт, %, на частоте:
1 кГц... 0,002
20 кГц... 0,004
Коэффициент интермодуляционных искажений, %... 0,0015
Максимальная частота, на которой максимальная  мощность снижается на 1 дБ, кГц... 50
Скорость нарастания выходного напряжения (без конденсатора С2), В/мкс... 40

Принципиальная схема усилителя показана на рис. 1.



Изменения коснулись выходного каскада. Для увеличения его входного сопротивления в усилитель 3Ч введены транзисторы VT1, VT2. Это облегчило работу ОУ DA1 и позволило обеспечить стабильное напряжение база-эмиттер транзисторов VT3, VT4 при изменении температуры. Кроме того, усилитель дополнен каскадом на транзисторах VT5, VT6, которые совместно с датчиками тока R33, R34 и выходными каскадами на транзисторах VT7—VT10 в режиме покоя образуют соответственно два генератора тока, что исключает отсечку эмиттерного тока транзисторов оконечного каскада и снижает коммутационные искажения.
Последнее же, как известно, благоприятно сказывается на спектре гармоник. Помимо указанных изменений в каждое плечо выходного каскада введена более глубокая местная ООС за счет увеличения сопротивления резисторов в эмиттерных цепях транзисторов VT3, VT4, что сделало   выходной   каскад более линейным. Так как резисторы R20, R21 подключены к датчикам тока R33, R34, то получается достаточно жесткая термостабилизация тока покоя транизисторов оконечного каскада (при колебаниях температуры    теплоотводов выходных транзисторов от 20 до 90 °С ток покоя изменяется в пределах 150... 180 мА). Наличие датчиков тока R33, R34, глубокой ООС по постоянному току и токоограничительных резисторов в базовых цепях транзисторов VT9, VT10 приводит к ограничению их коллекторных токов до приемлемого значения при коротких замыканиях в нагрузке.
Резистором R14 устанавливается симметрия плеч выходного каскада. Других изменений в усилитель не вносилось.
Нелинейные искажения измерялись осциллографом С1-68 с использованием генератора сигналов 3Ч ГЗ-118 (Кг— около 0,002 %) и прецизионного двойного Т-моста, входящего в комплект генератора. Измерения проводились по методике, изложенной в статье Ю. Митрофанова «Экономичный режим А в усилителе мощности» (см. «Радио», 1986, № 5, с. 40—43).
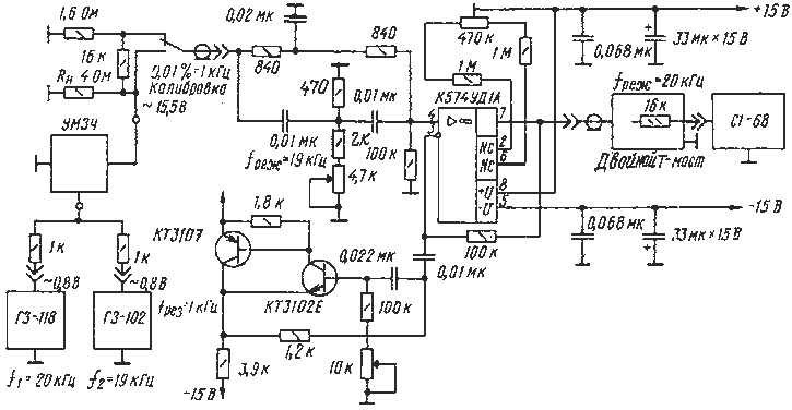
Коэффициент  интермодуляционных искажений измерялся по рекомендациям, которые даются в статье В. Костина    «Психоакустические критерии качества звучания и выбор параметров УМЗЧ» (см. «Радио», 1987, № 12, с. 40— 43), с использованием измерительной установки, показанной на рис. 2.



Там же изображена полная измерительная схема.
При испытании усилителя импульсным сигналом выбросов на выходном напряжении не наблюдалось.

Г.Брагин

Обсудить эту статью на форуме (0 ответов).
Вся информация, предоставленная на данном ресурсе разрешена к ознакомлению детям школьного возраста. Все практическое использование может быть связана с повышенной электрической опасностью и разрешено детям только под присмотром взрослых.