Регулятор громкости с электронным управлением

Наметившаяся в последнее время тенденция электронного ступенчатого регулирования громкости с использованием коммутации матрицы дискретных резисторов с помощью счетчиков, дешифраторов и аналоговых коммутаторов открывает широкие возможности для создания многоканальных звуковоспроизводящих устройств с практически идентичными характеристиками регулирования. Однако подобные регуляторы обладают недостаточной плавностью регулирования, их выходные сопротивления существенно изменяются в процессе регулировки, а потребляемая ими мощность часто оказывается довольно значительной. Перечисленные недостатки сдерживают применение регуляторов громкости с электронным управлением в высококачественной звуковоспроизводящей аппаратуре.
   Автору статьи удалось разработать регулятор громкости, обладающий широким диапазоном регулирования с дискретностью почти на порядок меньше, чем в аналогичных устройствах, описанных в литературе, имеющий небольшие габариты, простой в налаживании. Характеристика регулятора линейна во всем диапазоне регулирования, что особенно важно при малых уровнях громкости. Сигнал можно регулировать в каждом канале отдельно либо в обоих одновременно.Предусмотрены два режима регулирования: пошаговый (громкость изменяется на одну ступень регулирования при каждом нажатии на управляющую кнопку) и автоматический (громкость изменяется в заданную сторону с определенной скоростью).

u__6507_1

u__6507_1

Основные технические характеристики

Число каналов регулирования . . . 2
Диапазон регулирования, дБ, не менее . . . 60
Шаг регулирования, дБ, не более . . . 0,24
Ток потребляемый от источника напряжением +15 (-15)В, мА, не более 15(6)

 

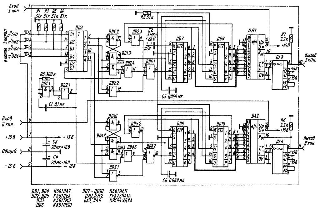
Принципиальная схема регулятора приведена на рис.1. Громкость регулируется с помощью кнопок без фиксации в нажатом положении SB1- SB4. Их "дребезг" устраняет микросхема DD3. Регулятор содержит также генератор тактовых импульсов на элементах DD1.1 и DD2.1 и двухканальное устройство, каждый канал которого состоит из RS-триггера на элементах DD1.2, DD1.3 (DD4.1, DD4.2), реверсивных счетчиков на микросхемах DD7, DD9 (DD8, DD10), интегрального цифроаналогового преобразователя на микросхемах DA1 (DA2), выходного усилителя на ОУ DА3 (DА4), устройства блокировки случайного перехода от максимальной громкости к минимальной и наоборот на элементах DD2.3 (DD5.2), узла автоматического регулирования на элементах DD1.4, DD2.4 (DD4.3, DD5.3) и элементов DD2.2 (DD5.1), обеспечивающих пошаговый режим.
Работает регулятор следующим образом. При включении питания происходит начальная установка счетчиков обоих каналов регулятора. Прямоугольные тактовые импульсы частотой около 20 Гц с выхода генератора поступают на вход синхронизации микросхемы DD3 (вывод 5). Поскольку остальные ее входы (выводы 4, 14, 7, 13) через резисторы R1-R4 соединены с общим проводом, на выходах этой микросхемы (выводы 2, 1, 10, 11) записываются уровни логического 0. Дальнейшая работа регулятора зависит от того, какую кнопку нажмет оператор. Чтобы обеспечить пошаговый режим регулировки громкости, достаточно однократно нажать на соответствующую функциональную кнопку и затем отпустить ее.
   При нажатии на кнопку "+" канала 1 (SB1) на выводе 2 микросхемы DD3 появляется логическая 1. Вследствие этого на выходе элемента DD2.2 устанавливается логический 0 и импульс, поступающий через элемент DD6.1 на выводы 15 счетчиков DD7, DD9, увеличивает состояние последних на 1.
   При нажатии на клавишу "-" канала 1 (SB2) логическая 1 появляется на выводе 1 микросхемы DD3 и состояние счетчиков DD7, DD9 уже уменьшается на 1, поскольку с выхода RS-триггера на элементах DD1.2, DD1.3 на выводы 10 счетчиков DD8, DD9 поступит уровень логического 0.
   Автоматический режим требует оперирования двумя кнопками. Для регулирования уровня громкости в нужную сторону сначала следует нажать на кнопку с соответствующим функциональным действием, а затем - на вторую кнопку этого канала. При достижении желаемой громкости обе кнопки нужно отпустить.
   Так, при нажатии на кнопки SB1, SB2 устанавливается автоматический режим регулирования в первом канале. На выводах 2 и 1 микросхемы DD3 появляются уровни логических 1, вследствие чего на выходе элемента DD1.4 устанавливается уровень логического 0 и тактовые импульсы с генератора начинают проходить на счетный вход счетчиков DD7, DD9. Конденсатор С5 (С6) повышает помехоустойчивость счетчиков при переключении режимов счета.
   Выходы двоичных реверсивных счетчиков DD7, DD9 подключены непосредственно к входам управления интегральными ключами цифроаналогового преобразователя DA1. Ключи коммутируют резисторы выполненной интегральным способом матрицы типа R-2R, выход которой нагружен на инвертирующий вход DA3. Благодаря ООС с выхода DA3 на вывод 16 микросхемы DA1 уровень напряжения на выходе регулятора изменяется плавно и с высокой стабильностью. Выходное сопротивление регулятора при этом остается постоянным и определяется выходным сопротивлением ОУ DA3.
   На выходе элемента DD2.3 уровень логического 0 присутствует до тех пор, пока на выходах переноса счетчиков (выводы 7) будет уровень хотя бы одной 1. Состояние логического 0 устанавливается на выходах переноса, когда на выходах счетчиков DD7, DD9 (выводы 6, 11, 14, 2) возникает состояние 1111 при увеличении счета и 0000 при его уменьшении. Такая работа счетчиков обеспечивает блокировку элемента DD6.1 и делает невозможным переход от уровня максимальной громкости к минимальной и наоборот. Второй канал работает аналогично первому.
   Все детали регулятора, кроме кнопок SB1-SB4, размещены на печатной плате размерами 80х70 мм: а) - вид со стороны установки микросхем, б) - с противоположной стороны, в) иллюстрирует расположение элементов на плате. Последняя крепится к передней панели аппаратуры, вблизи от входа оконечного усилителя (для уменьшения уровня фона).
   Плата рассчитана на использование резисторов МЛТ, конденсаторов КМ-6 и К50-16. Кнопки SB1-SB4 без фиксации - ПКН-150-1. Вместо указанных элементов можно применить любые малогабаритные близких номиналов - резисторы ВС, ОМЛТ, конденсаторы К10-7В, K50-6, K53-19, кнопки П2К.
   Налаживать регулятор практически не требуется. При необходимости скорость автоматического регулирования можно увеличить, уменьшив сопротивление резистора R5 либо емкость конденсатора С1.
   Регулятор сохраняет работоспособность без ухудшения параметров при снижении питающего напряжения до ±5 В.

Обсудить эту статью на форуме (0 ответов).
Вся информация, предоставленная на данном ресурсе разрешена к ознакомлению детям школьного возраста. Все практическое использование может быть связана с повышенной электрической опасностью и разрешено детям только под присмотром взрослых.