Светодиодный индикатор выходной мощности

 

Конструкция светодиодных индикаторов несколько сложнее. Конечно, при использовании специальной микросхемы управления ее можно упростить до предела, но тут притаилась маленькая неприятность. Большинство таких микросхем развивает на выходе ток не более 10 мА и яркость светодиодов в условиях автомобиля может оказаться недостаточной. Кроме того, наиболее распространены микросхемы с выходами на 5 светодиодов, а это только "программа-минимум". Поэтому для наших условий схема на дискретных элементах предпочтительней, ее можно расширять без особых усилий.

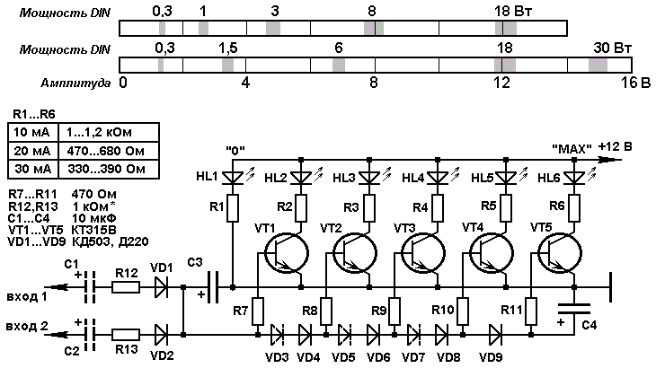
Помимо большей свободы в выборе светодиодов можно простыми средствами сформировать шкалу любого типа - от линейной до логарифмической, или "растянуть" только один участок. 

pokaz05

pokaz05

Светодиоды в этой схеме управляются ключами на транзисторах VT1...VT5. Пороги срабатывания ключей задают диоды VD3...VD9. Подбирая их количество, можно изменять динамический диапазон и тип шкалы. Общую чувствительность индикатора определяют резисторы на входе. На рисунке приведены примерные пороги срабатывания для двух вариантов схемы - с одиночными и "сдвоенными" диодами. В основном варианте диапазон измерения - до 30 Вт на нагрузке 4 Ом, с одиночными диодами - до 18 Вт.
Светодиод HL1 светится постоянно, он обозначает начало шкалы, HL6 - индикатор перегрузки. Конденсатор C4 задерживает на 0,3...0,5 сек погасание светодиода, что позволяет заметить даже кратковременную перегрузку. Накопительный конденсатор C3 определяет время обратного хода. Оно, кстати, зависит от количества светящихся светодиодов - "столбик" от максимума начинает спадать быстро, , а потом "притормаживает". Конденсаторы C1,C2 на входе устройства нужны только при работе со встроенным усилителем магнитолы. При работе с "нормальным" усилителем их исключают. Количество сигналов на входе можно увеличить, добавив цепочки из резистора и диода. Количество ячеек индикации можно увеличить простым "клонированием", главное ограничение - "пороговых" диодов должно быть не больше 10 и между базами соседних транзисторов должен быть хотя бы один диод.
Светодиоды можно использовать любые в зависимости от требований - от одиночных светодиодов до светодиодных сборок и панелей повышенной яркости. Поэтому на схеме приведены номиналы токоограничивающих резисторов для разных рабочих токов. К остальным деталям никаких специальных требований не предъявляется, транзисторы можно использовать практически любые структуры n-p-n с мощностью рассеяния на коллекторе не менее 150 мВт и двукратным запасом по току коллектора. Коэффициент передачи тока базы этих транзисторов должен быть не менее 50, а лучше - больше 100.

 

 

Обсудить эту статью на форуме (0 ответов).
Вся информация, предоставленная на данном ресурсе разрешена к ознакомлению детям школьного возраста. Все практическое использование может быть связана с повышенной электрической опасностью и разрешено детям только под присмотром взрослых.