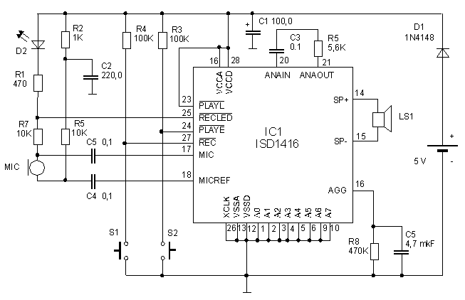
Цифровой одночиповый диктофон

http://www.radio-portal.ru/https://radio-portal.su/cache/cif-x401-1_images_stories_pictures_thumb_medium600_0.png

http://www.radio-portal.ru/images/stories/pictures/cif-x401-1.png
Устройство выполняет запись и воспроизведение звука от электретного микрофона MIC в течение 16 секунд.
Он собран на ИМС IC1 ISD1416 Integrated Storage Device (подразделение Winbond, http://www.winbond.usa.com/%20products/), которая содержит встроенный микрофонный предусилитель с АРУ, АЦП (частота дискретизации 8 кГц) и 128К энергонезависимой памяти, каждая ячейка которой способна запоминать 256 уровней (а не два, как в простой бинарной). Имеется также и УМЗЧ. Запись включается кнопкой S1, а воспроизведение -S2. В режиме воспроизведения на средней громкости устройство потребляет 25 мА, а в режиме хранения - всего 90 мкА.

 

 

 

 

 

Обсудить эту статью на форуме (0 ответов).
Вся информация, предоставленная на данном ресурсе разрешена к ознакомлению детям школьного возраста. Все практическое использование может быть связана с повышенной электрической опасностью и разрешено детям только под присмотром взрослых.