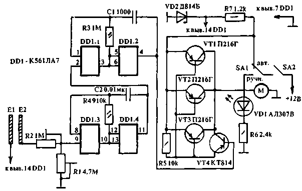
Датчики влажности для стеклоочистителей

При попадании водяных капель на датчики влажности Е1 и Е2 изменяется сопротивление между пластинками, что приводит к запуску генератора, собранного на микросхеме DD1. Сигнал с генератора поступает на транзисторный ключ, который управляет электродвигателем стеклоочистителей. Частота движения стеклоочистителей зависит от влажности лобового стекла автомобиля, чем интенсивнее дождь, тем меньше сопротивление между датчиками и больше частота импульсов, вырабатываемых генератором.


Датчиком влажности служат две алюминиевые пластины из фольги, наклеенные на стекло таким образом, чтобы стеклоочистители вытирали между ними воду. Резисторами R1 и R2 можно регулировать интенсивность работы стеклоочистителей. Размеры и расстояние между пластинами подбираются экспериментально.

Обсудить эту статью на форуме (0 ответов).
Вся информация, предоставленная на данном ресурсе разрешена к ознакомлению детям школьного возраста. Все практическое использование может быть связана с повышенной электрической опасностью и разрешено детям только под присмотром взрослых.