Приставка - ревун

Это охранное устройство также существенно отличается от ранее опубликованных. В качестве датчика используется пьезоэлемент от звукоснимателя (или керамический излучатель ЗП-1), прижатый или приклеенный (лучше не полностью, а только с одного конца) к корпусу замка, дверце, кузову автомобиля или другому охраняемому объекту.

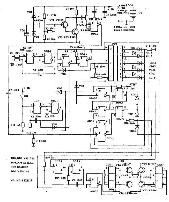
Датчиков может быть несколько, включенных параллельно. Если устройство включено и находится в дежурном режиме, то первый легкий удар металлическим предметом по объекту (попытка открыть ключом или отмычкой замок, отвинтить колесо и т.д.) вызовет пакет импульсов напряжения на датчике Д. Усилившись транзисторами VT1, VT2, пройдя через регулятор чувствительности R5 и инвертор D3.3, первый импульс пакета запускает одновибратор на Dl.l, D1.2. На выводе 11 D1.1 появляется лог "О", который запускает генератор секундных импульсов на элементах D1.3, D1.4. Эти импульсы поступают на вход "С" D5. Счетчик переключается, и на выходах 1-9 поочередно появляются лог. "1".
Если второй удар произойдет в течение той секунды, когда лог. "1" находится на выходе 4, то лог. "О" с вывода 11 D3.1 опрокинет RS триггер на элементах D4.1, D4.2. На входе Е" счетчика появится лог. "1", запрещающая счет на все время действия импульса одновибратора (около 1 мин.). За это время хозяин откроет замок и отключит сигнальное устройство. Если же второй удар произойдет в другое время, то опрокинется триггер на элементах D4.3, D4.4, счетчик тоже остановится, и одновременно включится сирена на элементах D2.3, D2.4, D6 и VT3 - VT6. Основной тон сирены изменяется под воздействием секундных импульсов.
Когда закончится импульс одновибратора, сирена выключится, а на вход "R" счетчика поступит лог. "1", которая сбросит счетчик в начальное состояние. Одновременно лог. "О" с вывода 10 D1.2 через диод VD4 также установит оба RS триггера в начальное состояние и устройство перейдет в дежурный режим.
Одновибратор на элементах D2.1, D2.2, запускаемый нажатием кнопки КН, блокирует работу счетчика и делает невозможным включение сирены на время чуть больше минуты. Это необходимо для "бесшумного" закрывания двери. Секундные импульсы, поступающие через диод VD10 на усилитель сирены, вызывают щелчки в громкоговорителе, облегчая хозяину отключение сирены. Элемент D3.4 переводит ее в дежурном режиме в выключенное состояние, снижая потребляемый ток до 0,5 -1мА.
Охранное устройство монтируется на печатной плате. Расположение деталей приведено здесь.При монтаже следует защищать микросхемы от статического электричества. Вывод 9 микросхемы D3.1 можно присоединять к любому из 9 выходов D5, задавая свой вариант "ключа". Все остальные выходы нужно соединить через диоды, как показано на схеме. Готовая плата, вместе с батареями, устанавливается в подходящем по размерам корпусе. Кнопка КН и выключатель питания монтируются сверху на корпусе.
Если приставка используется для охраны квартиры, то в двери сверлятся несколько десятков отверстий (3-6 мм), закрываются металлической сеткой (или пластинкой с такими же отверстиями), а на нее прикрепляется динамическая головка. Корпус устройства прикрепляется к двери около излучающей головки. Пьезоэлемент соединяется с конструкцией экранированным или витым проводом.
Вместо микросхемы К561ПУ4 можно использовать К176ПУЗ, взамен остальных из серии 561 ≈ такие же из серий 176, 164 или 564. Собранное из исправных деталей устройство в наладке не нуждается. Нужно только установить резистором R5 необходимую чувствительность. При несильном уда-' ре ключом по замку или попытке вставить его в скважину, должен включиться генератор импульсов и должны начать раздаваться щелчки с частотой 2 Гц. Это значит, что устройство перешло в режим ожидания второго удара. Если все сделано так, как на схеме, то отключить сирену можно, ударив по замку после 8-го щелчка, то есть через 4 секунды. Удар в другое время включит сирену. Чтобы еще усложнить "работу" вору, можно убрать щелчки, удалив диод VD10, но тогда хозяину необходимо будет выдерживать секундный ритм самому.
Не следует устанавливать высокую чувствительность, чтобы избежать ложных срабатываний устройства.

Порядок работы устройства следующий.
ВКЛЮЧИТЕ ПРИСТАВКУ И НАЖМИТЕ КНОПКУ.
ВЫЙДИТЕ ИЗ ДОМА И ЗАКРОЙТЕ ДВЕРЬ (у Вас только одна минута!).
ВОЗВРАТИВШИСЬ, УДАРЬТЕ КЛЮЧОМ ПО ЗАМКУ, ОТСЧИТАЙТЕ НУЖНОЕ КОЛИЧЕСТВО ЩЕЛЧКОВ И СНОВА УДАРЬТЕ ПО ЗАМКУ.
ОТКРОЙТЕ ДВЕРЬ И ЗАЙДИТЕ В ДОМ (для отключения тревожного звонка у Вас только 1 минута).
Охранное устройство можно не выключать, тогда Вы будете находиться под охраной и дома, энергии батареек хватит на несколько месяцев.

Обсудить эту статью на форуме (0 ответов).
Вся информация, предоставленная на данном ресурсе разрешена к ознакомлению детям школьного возраста. Все практическое использование может быть связана с повышенной электрической опасностью и разрешено детям только под присмотром взрослых.