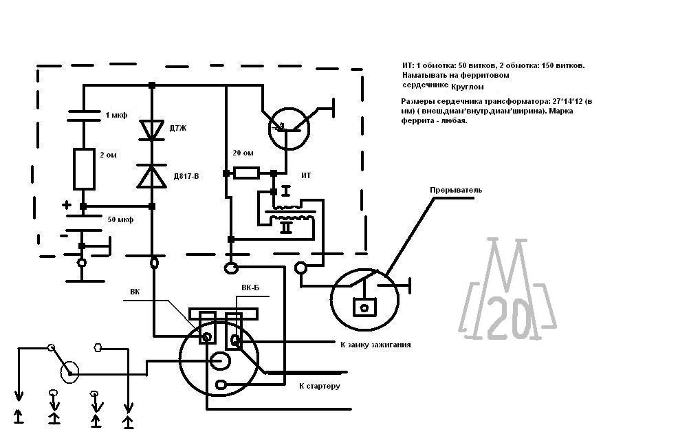
Простое транзисторное зажигание

/https://radio-portal.su/cache/sheme_images_stories_pictures_thumb_medium600_0.JPG
/images/stories/pictures/sheme.JPG
Обсудить эту статью на форуме (0 ответов).
Вся информация, предоставленная на данном ресурсе разрешена к ознакомлению детям школьного возраста. Все практическое использование может быть связана с повышенной электрической опасностью и разрешено детям только под присмотром взрослых.