Автолюбители нередко сталкиваются с проблемой замены вышедшего из строя прерывателя в указателе поворотов РС-950-Е12В. Как известно, основным активным, а значит и самым уязвимым, элементом прерывателя является микросхема К224ГГ2. Бе замена не представляет труда даже для начинающего радиолюбителя, но, к сожалению, в продаже эти микросхемы ≈ редкость.
|
![]() |
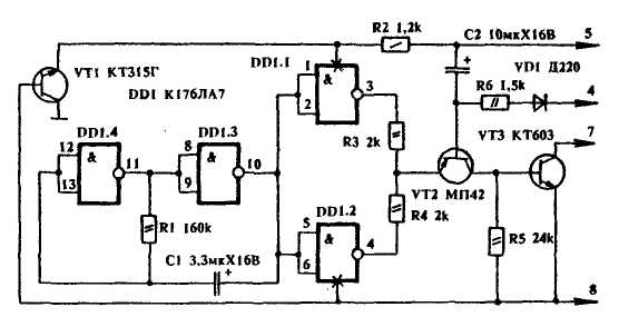
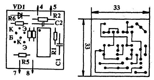
Схема модуля достаточно проста и не требует подробных пояснений. Номера выводов на плате модуля соответствуют номерам- демонтируемой микросхемы К224ГГ2. |
![]() |
Указанные на схеме элементы можно заменить на аналогичные, со сходными параметрами. Так, например, на месте VT1 может устанавливаться транзистор КТ312, на месте VT2 ≈ любой из МП39 ≈ МП42, VT3 ≈ КТ608, КТ503, КТ815. Микросхему К176ЛА7 можно заменить на К561ЛА7 или К176ЛЕ5.
|
Ремонт прерывателя
Doc
Просмотров: 10860

