Сигнализатор превышения скорости

В журнале "Радио", 1983, № 9 на с. 28 в статье Б. Широкова описан цифровой тахометр, предназначенный для измерения частоты вращения коленчатого вала двигателя автомобиля. Сравнительно несложная приставка к этому бортовому тахометру, описанная ниже, позволяет использовать его одновременно и для контроля за соблюдением скоростного режима движения автомобиля.

В зависимости от требований дорожных знаков водитель нажимает на одну из кнопок выбора максимально допустимой скорости, выведенных на переднюю панель. Как только выбранное значение скорости будет превышено, на панели прибора включится мигающий световой сигнал красного цвета и прерывистый звуковой сигнал. Подача сигналов продолжается до тех пор, пока скорость не будет снижена до допустимого значения или пока не будет нажата другая кнопка, соответствующая более высокому скоростному пределу. Таким образом, водитель освобождается от необходимости постоянно контролировать показания спидометра и сможет уделять больше внимания дорожной обстановке.

В приборе предусмотрены пять кнопок, соответствующих пределам 40, 50, 60, 70 и 90 км/ч. Сигнализация включается при превышении предельной скорости на 0,5...2,3 км/ч. Сигнализатор работает только при движении автомобиля на прямой передаче. Потребляемый от бортовой сети ток не превышает, 25...30 мА.

Усовершенствование тахометра заключается в добавлении к нему дешифратора, триггера включения сигнализации и собственно устройства сигнализации.

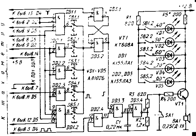
Дешифратор (см. схему) собран на микросхемах DD1, DD2 и предназначен для дешифрации чисел 1,6; 2,4; 2,8; 3,5, соответствующих значениям скорости движения 40,8; 51,5; 61,3; 71,5 и 89,8 км/ч. При появлении на выходе счетчиков D2, D5 тахометра двоично-десятичного кода. соответствующего любому из этих чисел, на соответствующем выходе одного из логических элементов DD1.1, DD1.2,DD2.1- DD2.3 сигнализатора появится напряжение с уровнем логического 0. Например, при появлении двоично-десятичного кода числа 2,4 на выходе счетчиков тахометра на оба входа логического элемента DD2.2 сигнализатора поступят сигналы логической 1 и на его выходе появится сигнал 0, который через контакты кнопки SB3.1 (если, конечно, нажата эта кнопка) поступит на вход триггера включения сигнализации. Триггер, собранный на элементах DD3.1, DD3.2, установится в единичное состояние. С выхода элемента DD3.2 сигнал 1 поступит на вход элемента DD3.3 и разрешит работу устройства сигнализации, собранного на элементах DD2.4. DD3.3, DD3.4 и транзисторе VT1.

На верхний по схеме вход (вывод 12) элемента DD2.4 с мультивибратора тахометра поступают импульсы, которые формируют прерывистый звук и мигающую световую индикацию. Звуковой сигнал, формируемый генератором DD2.4. DD3.3, DD3.4, усиливает транзистор VT1, нагрузкой которого служит динамическая головка ВА1. Для световой индикации превышения скорости в коллекторную цепь транзистора VT1 включена линейка свето-диодов VD1-VD5, коммутируемых контактами SB1.2-SB5.2. в зависимости от нажатой кнопки будет периодически включаться тот или иной свето-диод.

Триггер включения сигнализации периодически переключается а исходное состояние сигналом, вырабатываемым вторым мультивибратором тахометра, и снова возвращается в единичное состояние, если скорость автомобиля остается выше допустимой или же остается в нулевом состоянии, если скорость снижена.

В сигнализаторе использован переключатель П2К с зависимой фиксацией. Конечный выключатель SAI, аналогичный применяемому в автомобиле для включения освещения в салоне при открывании двери, размещают под защитным чехлом у основания рычага переключения передач. Этот выключатель устанавливают так, чтобы его контакты размыкались при включении прямой передачи, а при всех остальных положениях рычага оставались замкнутыми.

Все элементы, кроме светодиодов и динамической головки, размещены на двусторонней печатной плате размерами 80Х45 мм из фольгированного стеклотекстолита толщиной 1,5 мм (см. рис.2). Кнопки переключателей SB1-SB5 выведены на переднюю панель. Над кнопками устанавливают све-тодиоды VD1-VD5. Головку ВА1 надо установить так, чтобы ее звучание было отчетливо слышно на фоне посторонних шумов.

При правильном монтаже и исправных деталях налаживание сигнализатора сводится к установке желаемой тональности звучания звуковой сигнализации подборкой резистора R2 и требуемой громкости звучания подборкой резистора R5.

Прибор рассчитан для автомобиля "Москвич-2140". При установке сигнализатора на другие автомобили необходимо изменить схему дешифратора под другие предельные значения частоты вращения коленчатого вала двигателя. Зависимость частоты вращения N (мин-') коленчатого вала двигателя от скорости V (км/ч) движения автомобиля выражается формулой:

N=16.7VK/2пR

где К - передаточное число редуктора заднего моста, R - статический радиус качения колеса, в метрах. Передаточное число коробки перемены передач на прямой передаче равно 1 и поэтому в формулу не входит.

Прибор удобно установить в автомобиле "Москвич-2140" за приборным щитком над радиоприемником.

Обсудить эту статью на форуме (0 ответов).
Вся информация, предоставленная на данном ресурсе разрешена к ознакомлению детям школьного возраста. Все практическое использование может быть связана с повышенной электрической опасностью и разрешено детям только под присмотром взрослых.